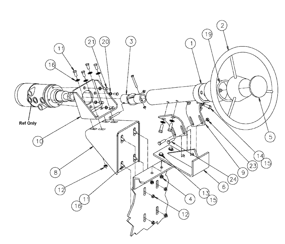
Запчасти Case IH FLX3300B (01-004) - STEERING ASSEMBLY (10) - CAB

Схема запчастей Case IH FLX3300B - (01-004) - STEERING ASSEMBLY (10) - CAB
15
5
12
3
20
23
19
2
12
11
24
13
14
8
21
6
4
15
16
1
10
11
16
9
FIT
1:1
100%

Артикул

Название

Примечание

Количество

1

BN2396330

STEERING COLUMN

Assembly

1шт.

BN2396330-001

REPAIR KIT

Turn Signal Repair Kit

1шт.

2

BN2298398

STEERING WHEEL

1шт.

3

BN2292560

YOKE

Assembly 902-01-49-694

1шт.

4

BN315825

LOCK NUT

3/8-16, NLN, G8

4шт.

5

BN312561

CAP

Steering Wheel, Black

1шт.

8

BN7142247

MOUNTING PLATE

Weldment, String Valve

1шт.

10

BN315819

PUMP

Weldment, Steering Pump Mount

1шт.

11

BN50254

BOLT,3/8"-16 x 1", Stainless

8шт.

12

BN305108

FLANGE BOLT,3/8" - 16, SST

3/8-16, FLN, SS

4шт.

13

9670285

BOLT,Hex, 3/8" - 16 x 1", Gr 8, Full Thd

4шт.

14

BN305106

SCREW,3/8" - 24 x 3/4", Gr 8

3/8-24 X .75, HH, G8

4шт.

15

BN300175

WASHER

3/8", G8

6шт.

16

BN50146

WASHER,3/8", Stainless

8шт.

19

BN2395066

SEAL

Trimseal, SD-161

2шт.

20

BN305102

SCREW,5/16", Gr 8

5/16, LW, G8

4шт.

21

BN305103

SCREW,5/16" - 18 x 3/4", Gr 8

5/16-18 X .75, HH, G8

4шт.

23

BN305109

FLANGE BOLT,7/16" - 20, Gr 8

7/16-20, FLN, G8

2шт.

24

BN50816

7/16-20 X 1.5, HH, G8

2шт.

Выбрано товаров: 19