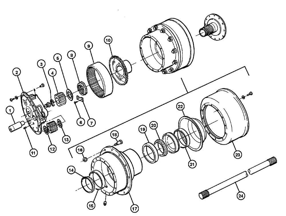
Запчасти Case IH FLX3300B (04-006) - REAR AXLE HUB Frame & Suspension

Схема запчастей Case IH FLX3300B - (04-006) - REAR AXLE HUB Frame & Suspension
21
19
8
18
1
12
22
7
2
16
20
15
4
17
11
23
24
3
14
9
6
10
5
13
FIT
1:1
100%

Артикул

Название

Примечание

Количество

1

BN2390129-030

SHAFT

Planetary, Pinion

1шт.

2

87266617

PINION

Planetary, Assembly 30B (2-Speed), Includes Ref 1, 12, 13, and 25

1шт.

2

BN2393107-002

PINION

Planetary, Assembly 16B (1-Speed )

1шт.

Indicates Old Part Number Or Can Order Newer Part Number Listed Above

1шт.

3

BN2390129-038

SNAP RING

Axle Shaft Retaining

1шт.

4

87266618

PLANETARY GEAR

Sun 17T

1шт.

5

BN2390129-037

WASHER

Flange Tm Sun Gear

1шт.

6

BN2390129-031

SCREW

Wheel Bearing Nut Lock

1шт.

7

BN2390129-032

BEARING LOCK NUT

Wheel Bearing

1шт.

8

87266619

BEARING LOCK NUT

Wheel Bearing

1шт.

9

87266620

PLANETARY GEAR

ring 55T

1шт.

10

87266621

RING GEAR

Hub, Planetary

1шт.

11

BN2390129-035

PLUG

Magnetic, 3/4" NPT

1шт.

12

BN2390129-033

THRUST WASHER

Outer

1шт.

13

BN2390129-015

THRUST WASHER

Inner Pinion

1шт.

14

BN2390129-011

ROLLER BEARING,117.47mm ID x 31.75mm W

Hub Outer, Timkin 68462

1шт.

15

BN2390129-012

BEARING CUP

Hub Outer

1шт.

16

BN2291498

WHEEL NUT

Wheel

1шт.

17

87266628

HUB

And Cup Assembly 30 Bolt

1шт.

17

BN2390129-036

HUB CARRIER

16 Bolt, With Race

1шт.

Indicates Old Part Number Or Can Order Newer Part Number Listed Above

1шт.

18

87266627

BOLT

Stud Wheel 22 mm

1шт.

19

BN2390129-014

BEARING CUP

Hub Inner

1шт.

20

BN2390129-013

ROLLER BEARING

Hub Inner

1шт.

21

BN2394941

SEAL

Oil, Wheel Bearing

1шт.

22

BN2390129-043

SLINGER

Oil 3905-A-53

1шт.

23

BN2390129-021

BRAKE DRUM

Axle

1шт.

24

BN2390129-005

HALF SHAFT

Axle - Short x 49.83" (Curbside)

1шт.

24

BN2390129-006

HALF SHAFT

Axle - Long x 53.71" (Roadside)

1шт.

Indicates Old Part Number Or Can Order Newer Part Number Listed Above

1шт.

25

87266626

PLANETARY GEAR

Pinion 19T

1шт.

9635076

BOLT

Brake Drum To Hub, 3/4 - 10 X 2 GR 8 (Shown to Right of Ref. 23)

12шт.

9706679

WASHER,0.8" ID x 1.25" OD x 0.14" Thk

Shown to Right of Ref. 23

12шт.

Выбрано товаров: 33