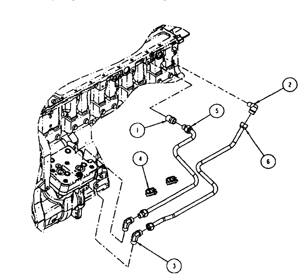
Запчасти Case IH FLX3300B (02-007) - COMPRESSOR COOLANT PLUMBING (01) - ENGINE

Схема запчастей Case IH FLX3300B - (02-007) - COMPRESSOR COOLANT PLUMBING (01) - ENGINE
4
2
6
1
5
3
FIT
1:1
100%

Артикул

Название

Примечание

Количество

1

J204994

CONNECTION

Male

1шт.

2

J204995

ELBOW

Male Adapter

1шт.

3

BN4022705

ELBOW

Male Union

2шт.

4

J943520

CLAMP

Tube

2шт.

5

J944496

TUBE

Compressor Water Inlet

1шт.

6

J944498

TUBE

Compressor Water Outlet

1шт.

Выбрано товаров: 0