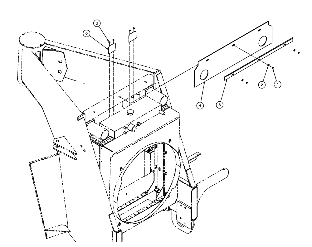
Запчасти Case IH FLX3300B (02-018) - BAFFLE ASSEMBLY (01) - ENGINE

Схема запчастей Case IH FLX3300B - (02-018) - BAFFLE ASSEMBLY (01) - ENGINE
1
6
5
4
2
3
FIT
1:1
100%

Артикул

Название

Примечание

Количество

1

280129

NUT,1/4"-20

3шт.

2

87529236

WASHER,0.28" ID x 0.62" OD x 0.07" Thk

0.281 X 0.625 X 0.065 HTS DOR HDN

3шт.

3

280736

NUT,5/16"-18, GC

4шт.

4

BN324852

RUBBER SEAL

1шт.

5

BN324853

SUPPORT

Seal Rubber

1шт.

6

BN324851

SUPPORT

Rubber Seal

2шт.

Выбрано товаров: 6