Запчасти Case IH FLX3330B (02-002[01]) - ENGINE GROUP (FLX3330B CAT 3208ATAAC) (01) - ENGINE

Схема запчастей Case IH FLX3330B - (02-002[01]) - ENGINE GROUP (FLX3330B CAT 3208ATAAC) (01) - ENGINE
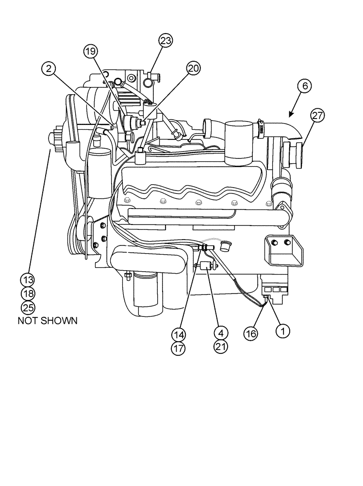
23
25
4
27
16
18
6
19
13
14
20
2
17
1
21
FIT
1:1
100%

Артикул

Название

Примечание

Количество

1

413-1216

BOLT,Hex, 3/4" - 10 x 1", Gr 5

2шт.

2

BN2290173

FITTING

2103-4-6

1шт.

3

BN2290278

BUSHING

0102-6-2

1шт.

4

BN2290291

BUSHING

0102-4-2

1шт.

5

BN2290298

BUSHING

0102-12-6

2шт.

6

BN2292195

Cat 3208T 330HP

1шт.

7

BN2292249

HYDRAULIC VALVE

Heater Everhot

2шт.

8

BN51674

HOSE CLAMP

Adjustable #40

1шт.

9

BN2293521

FITTING

2102-6-6

1шт.

10

BN2293687

FITTING

744240

1шт.

11

BN2394965

TEMPERATURE SENDER

1шт.

12

BN2396287

V-BELT

Alternator, Air Compressor

2шт.

13

BN312105

FAN

1шт.

BN2396838

HEATER

Water (3208) 120V

1шт.

Not Shown

1шт.

14

BN2399638

FITTING

4MP-4FP

1шт.

15

BN2400295

BELT

2шт.

16

BN2401945

SENDER UNIT

Tach 71255

1шт.

17

BN2404997

PRESSURE SWITCH

N.O.

1шт.

18

NSS

NOT SOLD SEPARAT

3/8, FW, G8

6шт.

See Fig. 02-033

1шт.

19

BN303492

SPACER

330, Cat

1шт.

20

BN305703

Throttle

1шт.

21

NSS

NOT SOLD SEPARAT

Oil, Servere HD

1шт.

See Fig. 20-035

1шт.

22

NSS

NOT SOLD SEPARAT

Fan Modifications

1шт.

See Fig. 07-003

1шт.

23

NSS

NOT SOLD SEPARAT

Compressor, Pneumatic, 3208

1шт.

See Fig. 02-061

1шт.

24

BN319231

Compressor A/C

1шт.

25

BN50274

BOLT

3/8-16 X 2.75 (Cat)

6шт.

26

BN2292194-008

Pulley Adjuster ALT.

1шт.

27

BN2292194-010

PIPE CLAMP

Turbo 3208 9N2039

1шт.

30

BN319214

PULLEY

2A6.63, Cat

1шт.

31

BN319223

PLATE

Orifice

1шт.

32

BN319222

GASKET

Water Fill 3208

1шт.

Выбрано товаров: 36