Запчасти Case IH FLX3510 (02-028) - STARTER GROUP (01) - ENGINE

Схема запчастей Case IH FLX3510 - (02-028) - STARTER GROUP (01) - ENGINE
6
7
4
8
1
3
2
5
FIT
1:1
100%

Артикул

Название

Примечание

Количество

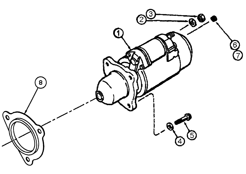
1

193432A2

MOTOR,12V, 4.8kW

starter, 12V

1шт.

1

193432A2GV

STARTER MOTOR,12V, 4.8kW

Value, 12 Volt

1шт.

2

412123

LOCK WASHER,13.1mm ID x 21.1mm OD x 2.55mm Thk

1шт.

3

87344035

NUT

thin M12 class 05

1шт.

4

86981496

WASHER,13.3mm ID x 24.5mm OD x 3mm Thk

3шт.

5

87343643

12 PT SCREW,Flg, M12 x 1.75 x 40mm, Cl 12.9

FLANGED 12-PT M12 X 40 12.9

3шт.

6

258820A1

SCREW

M5 x 8

1шт.

7

86509828

LOCK WASHER,M5

1шт.

8

87661430

SPACER

Starter, CDC

1шт.

Выбрано товаров: 9