Запчасти Case IH FLX3510 (02-042) - TURBOCHARGER - WASTEGATE ACTUATOR, FLX 3510 (01) - ENGINE

Схема запчастей Case IH FLX3510 - (02-042) - TURBOCHARGER - WASTEGATE ACTUATOR, FLX 3510 (01) - ENGINE
13
6
3
14
10
12
6
15
4
8
9
12
2
6
5
1
15
1
FIT
1:1
100%

Артикул

Название

Примечание

Количество

REF

INSTRUCTION

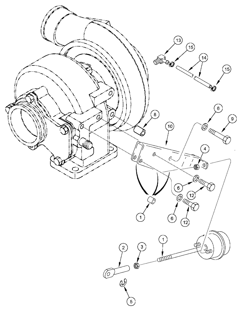
Kit - Turbocharger

1шт.

Includes Refs. 1 - 15. For Other Parts See Fig. 02-038 And 02-040

1шт.

1

J529856

ACTUATOR

Turbo Wastegate

1шт.

2

J528177

LINK

Adjusting

1шт.

3

425-155

JAM NUT,Jam, 5/16"-24, G5

1шт.

4

J528204

LOCK NUT

Lock

2шт.

5

J528221

CIRCLIP

Retaining

1шт.

6

86624184

WASHER,9mm ID x 16mm OD x 1.6mm Thk

3шт.

7

J532195

SPACER,9.38mm ID x 16.03mm OD x 13.7mm L

Mounting, Short

3шт.

8

J532196

SPACER,9.38mm ID x 16.03mm OD x 19mm L

Mounting, Long

1шт.

9

43130

BOLT,Hex, M8 x 1.25 x 50mm, Cl 8.8

1шт.

10

J532671

BRACKET

Actuator

1шт.

12

412479

BOLT,Hex, M8 x 1.25 x 35mm, Cl 8.8

2шт.

13

J528121

ELBOW

Connector

1шт.

14

A78037

HOSE

Plain, 6.4 ID X 230 MM

1шт.

15

214-1704

HOSE CLAMP,#04, 0.25" - 0.62", Type M Worm

2шт.

Выбрано товаров: 16