Запчасти Case IH FLX3510 (02-074) - FUEL INJECTION PUMP, FLX 3010 (01) - ENGINE

Схема запчастей Case IH FLX3510 - (02-074) - FUEL INJECTION PUMP, FLX 3010 (01) - ENGINE
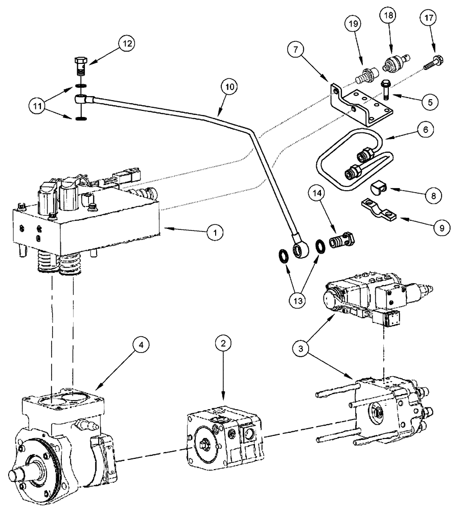
2
18
1
6
19
4
3
13
8
14
5
7
9
10
12
17
11
FIT
1:1
100%

Артикул

Название

Примечание

Количество

J4076442

FUEL INJECTION PUMP

Assembly

1шт.

JR4076442

REMAN-INJECTION PUMP

FLX3010

1шт.

JC4076442

CORE-INJECTION PUMP

Return Part Number

1шт.

A78006

KIT

Kit -- Instructions 6-10880 and Electrical Connector J164187

1шт.

1

J4025319

REPAIR KIT

Kit - Accumulator

1шт.

See Fig. 02-076

1шт.

2

J4089074

REPAIR KIT

Kit - Gear Pump

1шт.

See Fig. 02-077

1шт.

3

J4010269

REPAIR KIT

Kit - Distributor

1шт.

See Fig. 02-079

1шт.

4

A77928

HOUSING

Cam Housing

1шт.

See Fig. 02-080

1шт.

A77932

KIT

Parts, Fuel Supply, Includes Ref 5 - 9

1шт.

5

J417068

FLANGE BOLT,Hex, M8 x 1.25 x 20mm, Gr 10.9

Bolt - Special

8шт.

6

NSS

NOT SOLD SEPARAT

Tube

1шт.

7

NSS

NOT SOLD SEPARAT

Bracket - Vibration Isolator

1шт.

8

NSS

NOT SOLD SEPARAT

Isolator - Vibration

4шт.

9

NSS

NOT SOLD SEPARAT

Clamp - Tube

4шт.

10

J4010174

FUEL TUBE,119, 189.7 mm L

Fuel Drain

1шт.

11

87417768

SEALING WASHER,9.73 ID x 15.32mm OD x 1.27mm Thk

Washer - Sealing

2шт.

12

J918002

BANJO BOLT

1шт.

13

J918192

PACKING RING,14mm ID x 20mm OD x 1mm Thk

Washer - Sealing, Special, 14 X 20 X 1 MM

2шт.

14

J4002006

BANJO BOLT,M14 x 1.5 x 26.40mm

Banjo

1шт.

17

J417068

FLANGE BOLT,Hex, M8 x 1.25 x 20mm, Gr 10.9

Hex Flange, 8 - 1.25 X 20 MM; 10.9

1шт.

18

J4010051

TEMPERATURE SENDER

1шт.

19

J4010084

ADAPTER

Sensor

1шт.

Выбрано товаров: 26