Запчасти Case IH FLX3510 (08-003) - AUTOMATIC TRANSMISSION ELECTRIC GROUP (06) - ELECTRICAL

Схема запчастей Case IH FLX3510 - (08-003) - AUTOMATIC TRANSMISSION ELECTRIC GROUP (06) - ELECTRICAL
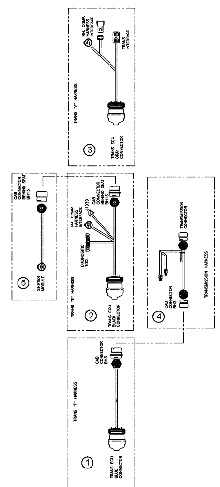
3
5
2
4
1
FIT
1:1
100%

Артикул

Название

Примечание

Количество

1

BN324329

WIRE HARNESS

Transmission "T"

1шт.

2

BN324330

WIRE HARNESS

Transmission "S"

1шт.

3

87269291

WIRE HARNESS

Transmission "V"

1шт.

4

BN324332

WIRE HARNESS

Transmission

1шт.

5

BN324549

Assembly, Transmission Interface FLX

1шт.

BN322529

Assembly Drawing

1шт.

Associated Part Of Assembly, Transmission Interface FLX, P/N BN324549

1шт.

BN325110

Assembly, Transmission Interface FLX

1шт.

Associated Part Of Assembly, Transmission Interface FLX, P/N BN324549

1шт.

See Fig. 08-004

1шт.

BN325152

RH Console Trans Group

1шт.

Associated Part Of Assembly, Transmission Interface FLX, P/N BN324549

1шт.

See Fig. 01-049

1шт.

Выбрано товаров: 13