Запчасти Case IH FLX3510 (06-001[02]) - HYDRAULIC TANK GROUP SN Y6T020477 AND AFTER (07) - HYDRAULICS

Схема запчастей Case IH FLX3510 - (06-001[02]) - HYDRAULIC TANK GROUP SN Y6T020477 AND AFTER (07) - HYDRAULICS
FIT
1:1
100%

Артикул

Название

Примечание

Количество

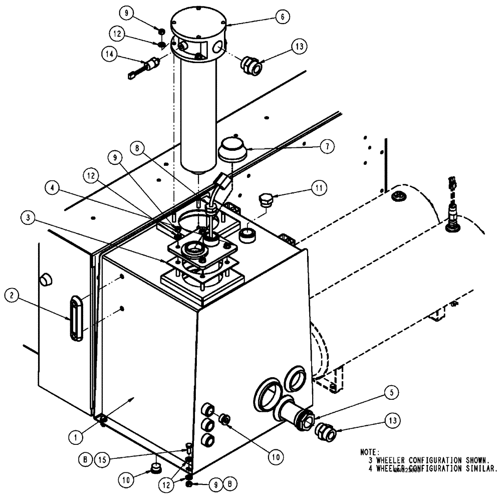
1

87270368

TANK

Hydraulic Oil 31 Gallon

1шт.

2

BN322594

GAUGE

sight with temperature

1шт.

3

87272095

GASKET,3.17mm Thk

Cover Plate

1шт.

4

87272100

PLATE

Temp/Level

1шт.

5

BN303528

STRAINER ASSY.

32Mb X -20Fb, 100

1шт.

6

87267809

HYDRAULIC OIL FILTER

, See 06-009[01] For Service Parts

1шт.

7

BN304339

VALVE

Pressure Valve

1шт.

8

BN324116

INDICATOR

Sensor, Multiple Oil Level And Oil Temperature

1шт.

9

86980515

NUT,Hex, M10 x 1.5, Cl 8.8, DOR

12шт.

10

9841223

PLUG,1-1/16" - 12 ORB

2шт.

11

BN60479

PLUG

Plug-1 5/16-12 O-Ring-Hex

1шт.

12

86625252

WASHER,10.8mm ID x 21.5mm OD x 2.5mm Thk

16шт.

13

BN302660

FITTING

20Mor-20Mb

2шт.

14

87267808

PRESSURE SWITCH

25 psi N/C

1шт.

15

86980400

BOLT,Hex, M10 x 25mm, Cl 8.8, Full Thd

4шт.

Выбрано товаров: 15