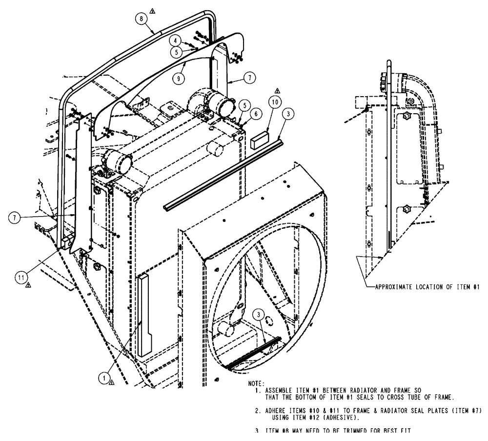
Запчасти Case IH FLX3510 (04-021) - BAFFLE GROUP, SIDE RADIATOR Frame & Suspension

Схема запчастей Case IH FLX3510 - (04-021) - BAFFLE GROUP, SIDE RADIATOR Frame & Suspension
3
10
9
5
11
8
3
4
1
7
7
6
5
FIT
1:1
100%

Артикул

Название

Примечание

Количество

1

BN325776

SEAL

Foam, Lower Side

2шт.

3

F43117X

SEAL

formed rubber, adhesive-backed, bulk, 15 (9/16) x 31 (1-3/16) x 30480 mm (1200 inch) long

2шт.

4

120100

BOLT,M6 x 20mm, Cl 8.8

14шт.

5

86588450

WASHER,6.6mm ID x 12mm OD x 1.6mm Thk

28шт.

6

353308

NUT,M6 x 1.0, Cl 8

14шт.

7

87268821

PLATE

RAD Seal

2шт.

8

F43117X

SEAL

formed rubber, adhesive-backed, bulk, 15 (9/16) x 31 (1-3/16) x 30480 mm (1200 inch) long

1шт.

9

343569A1

PLATE

RAD Seal, Top

1шт.

10

87268819

FOAM

CS

1шт.

11

87268820

FOAM

RS

1шт.

12

BN54039

ADHESIVE

Spray 18 oz

1шт.

Выбрано товаров: 11