Запчасти Case IH FLX3510 (10-008) - TANK, FOAMER GROUP Options

Схема запчастей Case IH FLX3510 - (10-008) - TANK, FOAMER GROUP Options
19
1
19
9
42
7
24
37
39
22
34
35
25
6
40
26
24
10
41
11
26
9
29
18
32
3
8
27
2
12
34
5
3
2
17
16
21
9
33
33
30
10
32
18
29
20
4
9
22
28
31
FIT
1:1
100%

Артикул

Название

Примечание

Количество

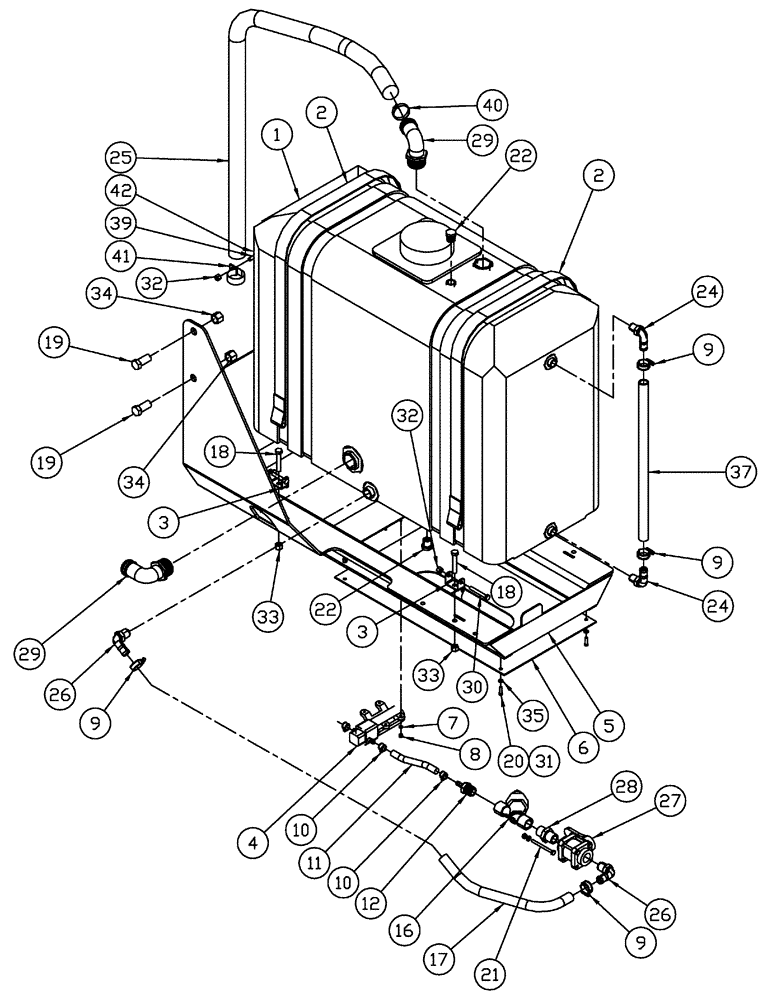
1

BN323080

TANK

70 Gallon Poly

1шт.

2

87268267

STRAP

38 mm x 1570 mm, Flateye

2шт.

1b

BN314276

COVER

6.00, W/BREATHER

1шт.

3

BN324375

BRACKET

Foam Tank Strap

4шт.

4

87727677

PUMP,12V

Diaphragm, 1 GPM, 12V, Foam Transfer

1шт.

5

87266745

FRAME

Foam Tank 438A

1шт.

6

87267518

PLATE

Cover Foamer, 438A

1шт.

7

BN310265

WASHER

10, Stainless Steel

4шт.

8

BN303136

NUT

10-32, NLN, G5

4шт.

9

BN310446

HOSE CLAMP

#12, Stainless Steel

4шт.

10

BN310450

HOSE CLAMP

#3, Stainless Steel

4шт.

11

87266748

HOSE

3/8" x 10.5" Clear

1шт.

12

343436A1

PIPE FITTING,3/4" Male Thread x 3/8" Hose Barb

3/4" MPT X 3/8" Hose Barb, Poly

1шт.

13

BN325352

CAP

Nozzle

1шт.

14

BN325353

FITTING

Barb, Nozzle Cap

1шт.

15

BN325371

HOSE,0.38" ID x 1.50"

Clear

1шт.

16

BN324892

FILTER STRAINER,3/4" x 3/4" Y Strainer

3/4" "Y" 40 Mesh

1шт.

17

87266749

HOSE

3/4" X 18" Clear

1шт.

18

614-10060

BOLT,Hex, M10 x 1.5 x 60mm, Cl 8.8, Full Thd

4шт.

19

86509867

BOLT,Hex Flg, M16 x 40mm

4шт.

20

120100

BOLT,M6 x 20mm, Cl 8.8

4шт.

21

BN67050

BOLT,1/4"-20 X 3.00", Stainless Steel

2шт.

22

BN73502

PLUG

1/2" Pipe Poly

2шт.

23

BN325351

HYD CONNECTOR

Straight

1шт.

24

BN73519

ELBOW

1/2" NPT x 3/4" Hose Barb

2шт.

25

86986359

HOSE,1.50" ID x 63.00"

Kaniflex

1шт.

26

BN73562

FITTING,3/4" Male Thread x 3/4" 90 Degree Hose Barb

3/4" NPT x 3/4" Hose Barb, 90°

2шт.

27

BN73564

VALVE

3/4" Ball Poly 2 Way

1шт.

28

BN73565

NIPPLE,3/4" Male NPT x 3/4" Male NPT, Poly

3/4" Short Pipe, Poly

1шт.

29

BN73723

ELBOW,90 Degree Elbow, 1-1/2" Male NPT x 1-1/2" Hose Barb, Poly

1-1/2" NPT x 1-1/2" Hose Barb, Poly

2шт.

30

120061

BOLT,Hex, M8 x 60mm L, Cl 8.8

4шт.

31

353308

NUT,M6 x 1.0, Cl 8

4шт.

32

86528579

NUT,M8 x 1.25

5шт.

33

100037

LOCK NUT,M10 x 1.5, Cl 8

4шт.

34

832-46416

NUT,M16 x 2, Cl 8

4шт.

35

86588450

WASHER,6.6mm ID x 12mm OD x 1.6mm Thk

4шт.

36

86625266

WASHER,17.5mm ID x 30mm OD x 4mm Thk

4шт.

37

BN319020

HOSE,0.75" ID x 21.00"

Clear Vinyl

1шт.

38

BN324022

HOSE CLAMP

#8, Stainless Steel

1шт.

39

43127

BOLT,Hex, M8 x 1.25 x 25mm, Cl 8.8

1шт.

40

BN310448

HOSE CLAMP

#28, Stainless Steel

1шт.

41

515-23508

CLAMP,2", Insul, 3/8" Bolt

1шт.

42

BN50142

WASHER,5/16", Stainless Steel

1шт.

Выбрано товаров: 43