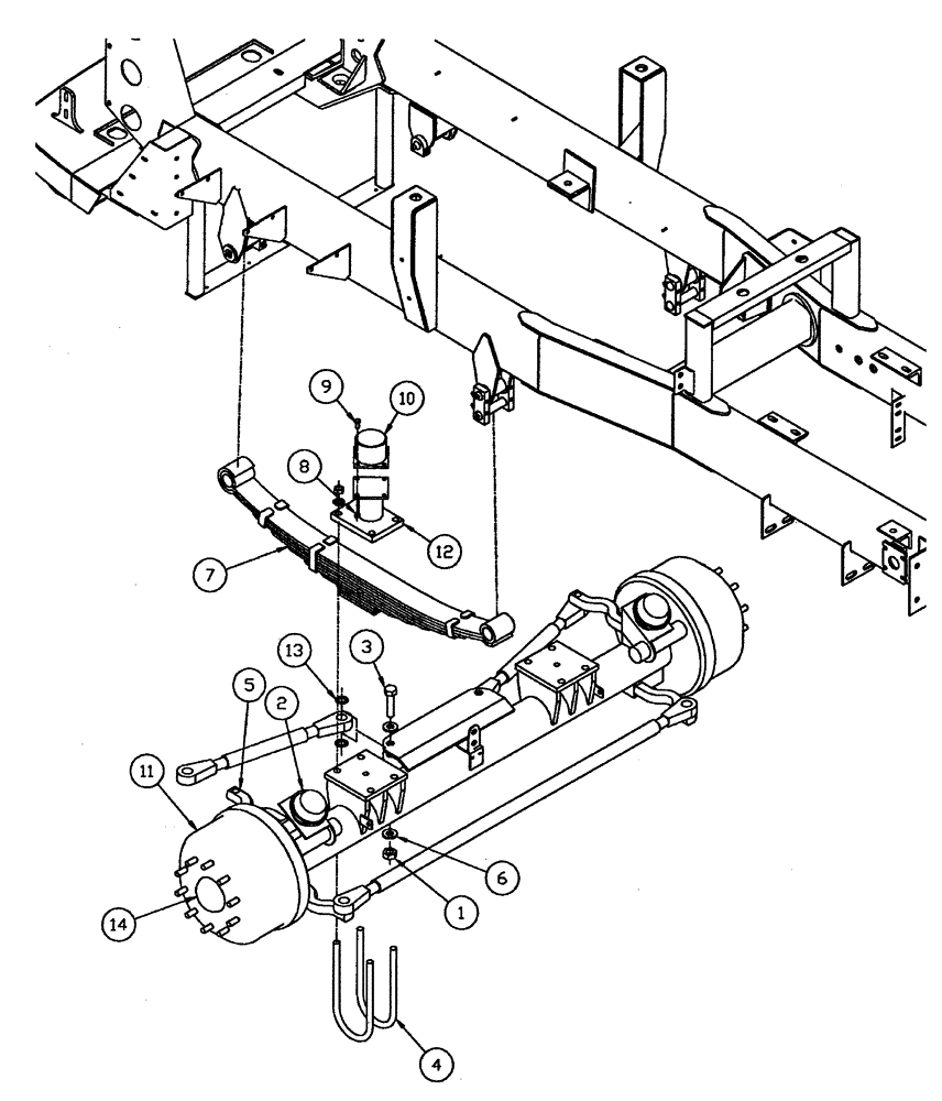
Запчасти Case IH FLX4300 (04-001) - FRONT AXLE ASSEMBLY Frame & Suspension

Схема запчастей Case IH FLX4300 - (04-001) - FRONT AXLE ASSEMBLY Frame & Suspension
8
10
2
9
5
6
4
14
3
7
13
1
11
12
FIT
1:1
100%

Артикул

Название

Примечание

Количество

1

BN1470411F

LOCK NUT

1"-14 Flex

2шт.

2

BN1666159

PLUG

Allen Head 3/8

2шт.

3

428-1672

BOLT,Hex, 1" - 14 x 4-1/2", Gr 8

Hex, 1"-14 x 4", G8

2шт.

4

BN2292187

U-BOLT

7/8" X 6 1/8" X 18 1/2"

4шт.

5

BN2293237

BOOT

Garrison 32729-1

2шт.

6

BN2298333

WASHER

Hardened 1 WA1772

4шт.

7

BN318106

SPRING

Front 9000#

2шт.

8

100037

LOCK NUT,M10 x 1.5, Cl 8

8шт.

9

43140

BOLT,Hex, M10 x 1.5 x 30mm, Cl 8.8

8шт.

10

BN5001054

BUMPER

Rubber, 3 3/8"

2шт.

11

BN322888

AXLE

Weldment, Front

1шт.

12

BN318107

MOUNTING PLATE

Front Spring

2шт.

13

BN65465

WASHER

Machine Bushing - 10 GA

4шт.

14

NSS

NOT SOLD SEPARAT

Oil, 80W90, Case 135 HEP., 1QT., 1.25

1шт.

Выбрано товаров: 14