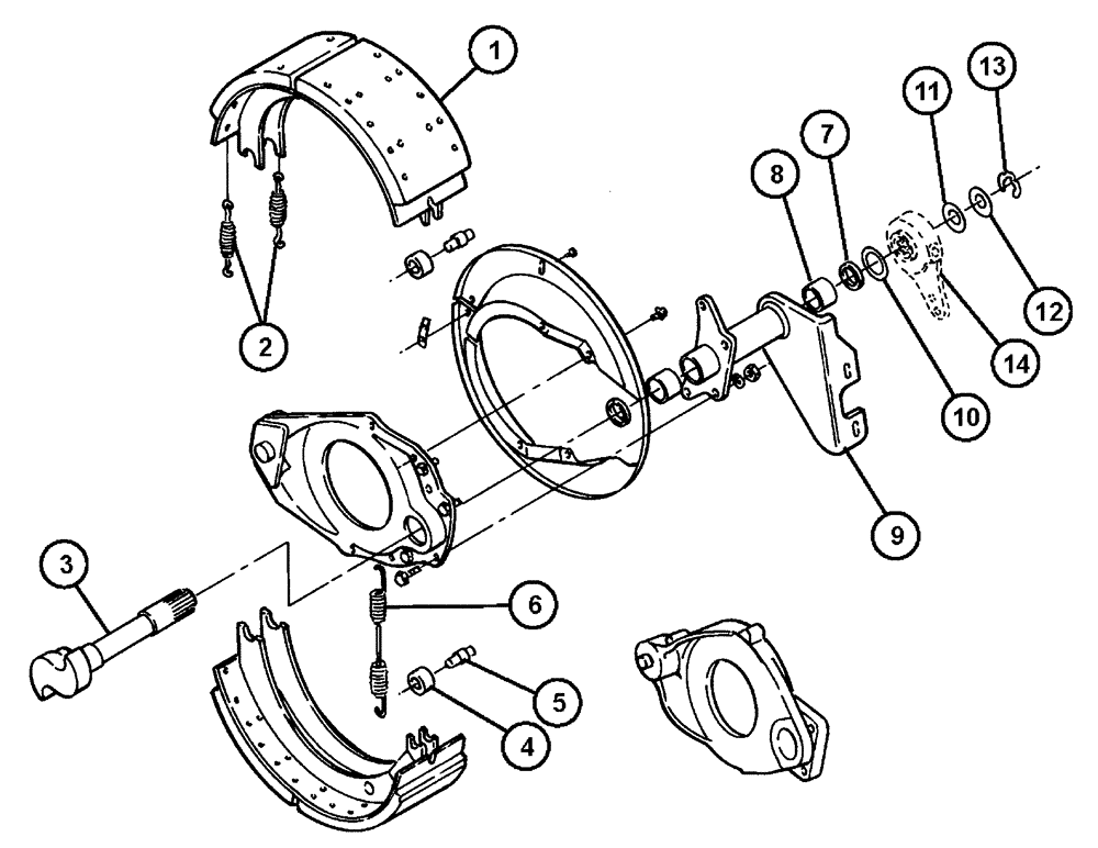
Запчасти Case IH FLX4300 (04-005) - FRONT AXLE BRAKE Frame & Suspension

Схема запчастей Case IH FLX4300 - (04-005) - FRONT AXLE BRAKE Frame & Suspension
8
3
13
14
5
7
9
12
11
2
6
10
4
1
FIT
1:1
100%

Артикул

Название

Примечание

Количество

1

BN2296172-015

SET OF BRAKE LININGS

Brake Lining

1шт.

2

BN2296172-029

SPRING

Retaining

1шт.

3

BN2296172-030

CAMSHAFT

Left

1шт.

3a

BN2296172-031

CAMSHAFT

Right

1шт.

Same Part Of Camshaft, Left, P/N. BN2296172-030 But Opposite Side

1шт.

4

BN2296172-032

ROLLER

Cam

1шт.

5

BN2296172-033

PIN

Cam Pin

1шт.

6

BN2296172-034

SPRING

Shoe Release, Red

1шт.

7

BN2296172-035

SEAL

Lip

1шт.

8

BN2296172-036

BUSHING

Camshaft

1шт.

9

BN2296172-046

BRACKET

Anchor, Slack

1шт.

9a

BN2296172-022

HOUSING

S-Cam W/ Bush, LH

1шт.

Same Part Of Anchor Bracket, Slack, P/N. BN2296172-046 But Opposite Side

1шт.

10

BN2296172-037

WASHER

nner Slack Adjuster

1шт.

11

BN2296172-038

WASHER

Camshaft Shim

1шт.

12

BN2296172-039

WASHER

Camshaft Shim

1шт.

13

BN2296172-040

SNAP RING

Camshaft

1шт.

14

BN2296172-045

ADJUSTER

Slack, Auto

1шт.

14a

BN2296172-046

BRACKET

Slack Adjuster

1шт.

Associated Part Of Slack Adjuster, Auto, P/N BN2296172-045

1шт.

Выбрано товаров: 20