Запчасти Case IH FLX4300 (02-058) - FUEL INJECTION PUMP (01) - ENGINE

Схема запчастей Case IH FLX4300 - (02-058) - FUEL INJECTION PUMP (01) - ENGINE
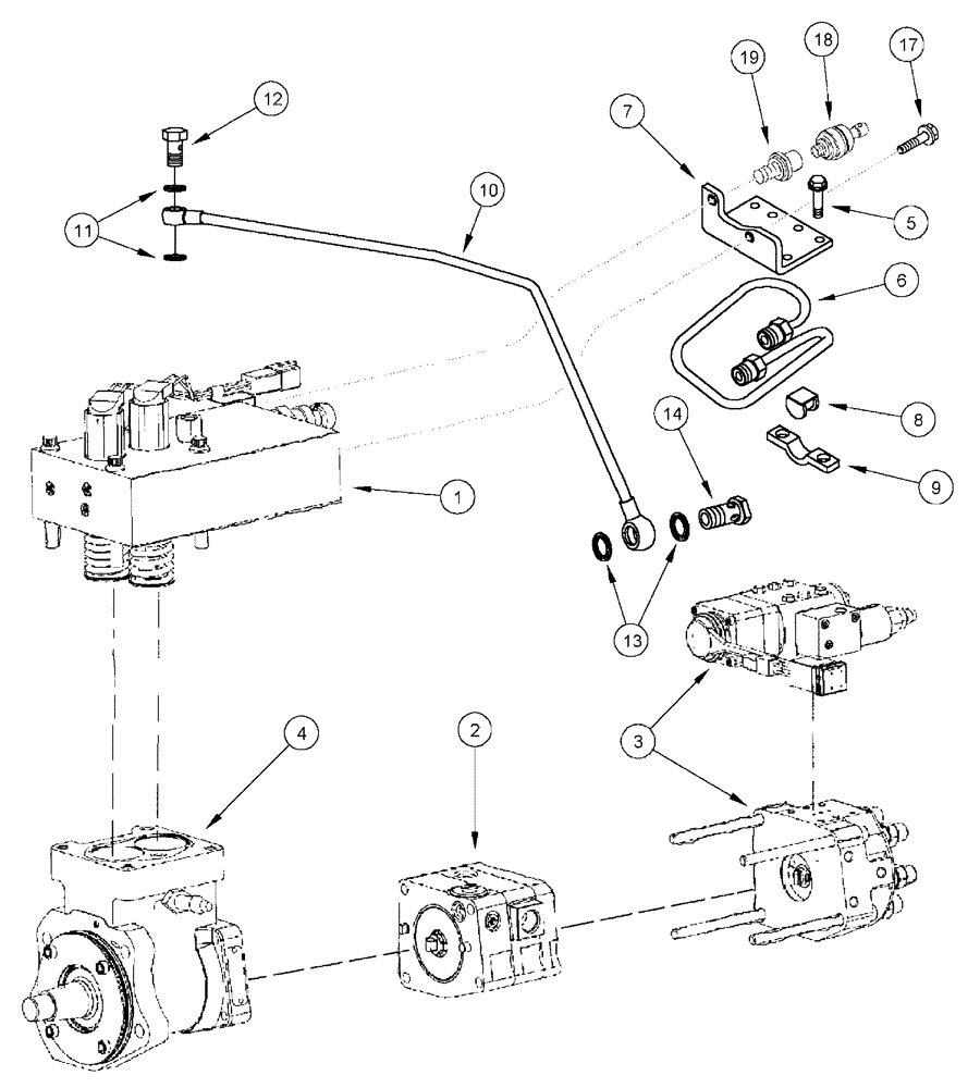
1
18
5
11
6
3
2
7
9
4
10
14
12
8
13
19
17
FIT
1:1
100%

Артикул

Название

Примечание

Количество

0

J4076442

FUEL INJECTION PUMP

Assembly - Fuel Injection

1шт.

0

JR4076442

REMAN-INJECTION PUMP

FLX4300, FLX4375

1шт.

0

JC4076442

CORE-INJECTION PUMP

Return Part Number

1шт.

0

A78006

KIT

Kit -- Instructions 6-10880 and Electrical Connector J164187

1шт.

1

NSS

NOT SOLD SEPARAT

Kit - Accumulator, See Fig 02-059

1шт.

2

NSS

NOT SOLD SEPARAT

Kit - Gear Pump, See Fig 02-060

1шт.

3

NSS

NOT SOLD SEPARAT

Kit - Distributor, See Fig 02-061

1шт.

4

NSS

NOT SOLD SEPARAT

Kit - Cam Housing, See Fig 02-062

1шт.

4a

A77932

KIT

Parts, Fuel Supply

1шт.

5

NSS

NOT SOLD SEPARAT

Bolt - Special

8шт.

6

NSS

NOT SOLD SEPARAT

Tube

1шт.

7

NSS

NOT SOLD SEPARAT

Bracket - Vibration Isolator

1шт.

8

NSS

NOT SOLD SEPARAT

Isolator-Vibration

4шт.

9

NSS

NOT SOLD SEPARAT

Clamp - Tube

4шт.

10

J4010174

FUEL TUBE,119, 189.7 mm L

Fuel Drain

1шт.

11

J935170

SPECIAL WASHER

Sealing

2шт.

12

J918002

BANJO BOLT

Screw-Banjo

1шт.

13

J918192

PACKING RING,14mm ID x 20mm OD x 1mm Thk

Washer - Sealing, Special, 14 X 20 X 1 MM

2шт.

14

J4002006

BANJO BOLT,M14 x 1.5 x 26.40mm

Banjo

1шт.

17

J417068

FLANGE BOLT,Hex, M8 x 1.25 x 20mm, Gr 10.9

Hex Flange, 8 - 1.25 X 20 MM; 10.9

1шт.

18

J4010051

TEMPERATURE SENDER

Sensor

1шт.

19

J4010084

ADAPTER

Sensor

1шт.

Выбрано товаров: 22