Запчасти Case IH FLX4300 (04-007) - REAR AXLE ASSEMBLY Frame & Suspension

Схема запчастей Case IH FLX4300 - (04-007) - REAR AXLE ASSEMBLY Frame & Suspension
9
5
14
13
9
17
18
7
19
4
12
10
20
11
8
1
14
3
3
16
13
6
2
FIT
1:1
100%

Артикул

Название

Примечание

Количество

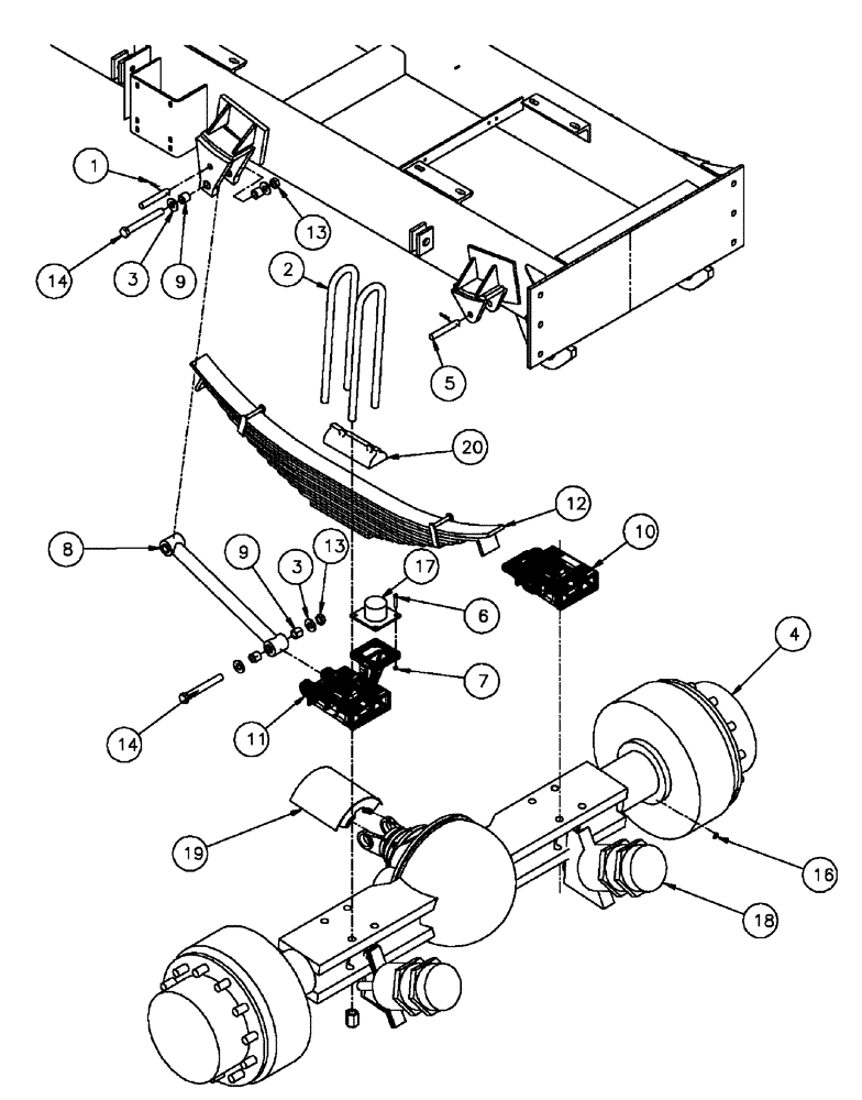
1

BN1630464

PIN

Cotter, 1/8 X 2 1/2

4шт.

2

BN2292167

U-BOLT

1" x 3 1/2" x 21 1/2"

4шт.

3

87310608

WASHER,22mm ID x 44mm OD x 5mm Thk

22 x 44 x 5 mm, HDN, DOR

8шт.

4

BN323371

Axle, PRC674, 16.56/23.10

1шт.

5

BN2391616

PIN,19.05mm OD x 152.4mm L

Rebound

4шт.

6

325829

BOLT,Hex, M10 x 1.5 x 45mm, Cl 8.8

8шт.

7

BN323480

PAD

Axle Spring, RS

1шт.

8

BN304485

ARM ASSY.

Trailing, 21.5", ADJ.

2шт.

9

BN304486

BUSHING,22.35mm ID x 31.75mm OD x 26.92mm L

1.25 X.88 X 1.06 L

8шт.

10

BN323481

PAD

Axle Spring, CS

1шт.

11

100037

LOCK NUT,M10 x 1.5, Cl 8

8шт.

12

BN305155

LEAF SPRING

Rear 14

2шт.

13

86729942

NUT,M22 x 2.5, Cl 8

4шт.

14

814-22180

BOLT,Hex, M22 x 180mm, Cl 8.8

M22-2.5 X 180, HH, 8.8

4шт.

16

BN41288

LUBE NIPPLE

Zerk-1/8-27 X 90 Degree

2шт.

17

BN5183018

BUMPER

Rubber, 2 1/8"

2шт.

18

343361A1

Brake Chamber, Assembly

2шт.

19

BN7136365

GUARD

U-Joint

1шт.

20

87268392

U-BOLT

Seat, Rear

2шт.

20a

BN7148162

Assembly, 2-Speed Shift Circle

1шт.

Not Shown

1шт.

Выбрано товаров: 21