Запчасти Case IH FLX4300 (03-003) - TRANSMISSION MOUNTING (FLX4375) (03) - TRANSMISSION

Схема запчастей Case IH FLX4300 - (03-003) - TRANSMISSION MOUNTING (FLX4375) (03) - TRANSMISSION
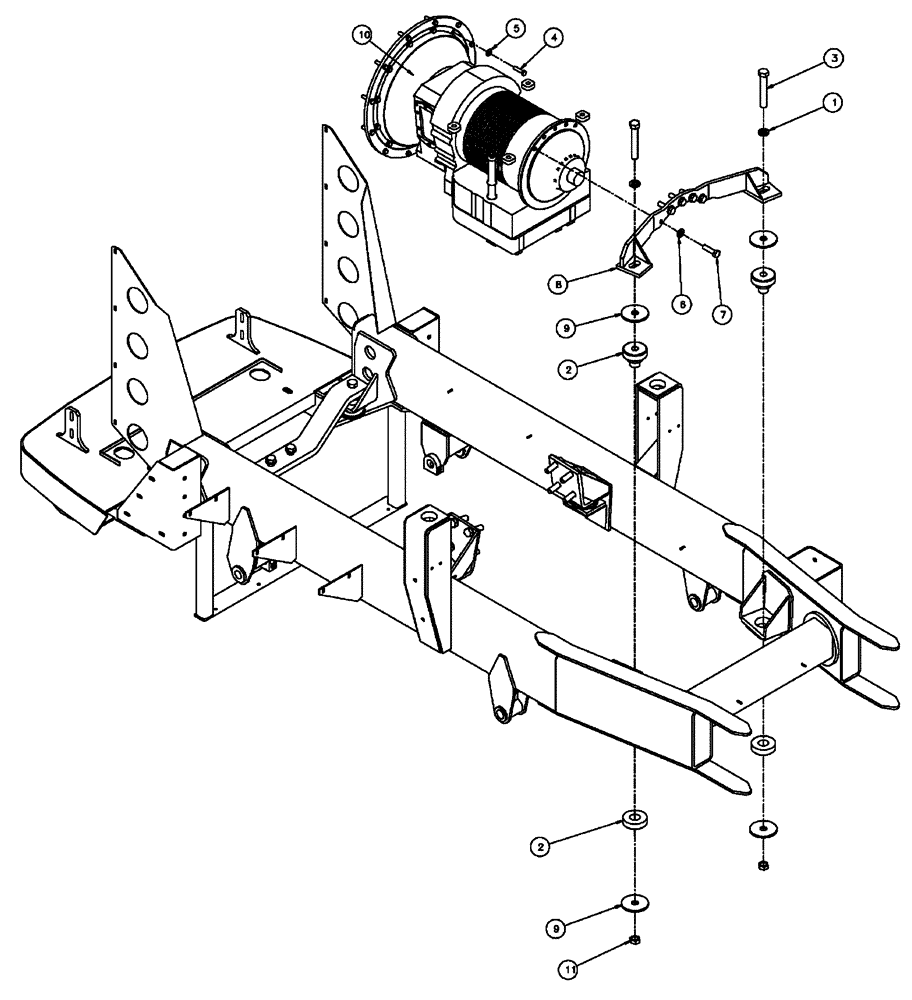
3
9
4
7
2
5
11
1
6
8
10
9
2
FIT
1:1
100%

Артикул

Название

Примечание

Количество

1

87310608

WASHER,22mm ID x 44mm OD x 5mm Thk

22 x 44 x 5 mm, HDN, DOR

2шт.

2

BN300012

DAMPER

Vibration, Engine

2шт.

3

86639172

BOLT,Hex, M22 x 140mm, Cl 10.9

2шт.

4

413-728

BOLT,Hex, 7/16" - 14 x 1-3/4", Gr 5

12шт.

5

86637952

WASHER,0.47" ID x 0.92" OD x 0.07" Thk

0.469 x 0.922 x 0.065, Hardened

12шт.

6

BN300500

WASHER,M12, 10.9

5шт.

7

814-12070

BOLT,Hex, M12 x 1.75 x 70mm, Cl 8.8

5шт.

8

BN301837

MOUNTING PLATE

MD3066, 3176/96 INST.

1шт.

9

BN302284

WASHER,23.88mm ID x 98.55mm OD x 6.35mm Thk

Rebound, 3.88 od x .94 id x .25

4шт.

10

814-16130

BOLT,Hex, M16 x 2 x 130mm, Cl 8.8

8шт.

11

87344025

NUT,Prev Torque, M22, 2.5 Pitch, Cl 10, DOR

2шт.

Выбрано товаров: 11