Запчасти Case IH FLX4300 (08-003[02]) - MAIN ELECTRICAL HARNESSES (06) - ELECTRICAL

Схема запчастей Case IH FLX4300 - (08-003[02]) - MAIN ELECTRICAL HARNESSES (06) - ELECTRICAL
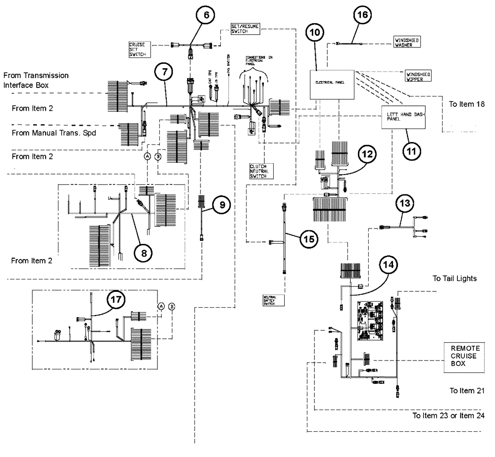
9
15
17
13
6
14
16
11
7
10
8
12
FIT
1:1
100%

Артикул

Название

Примечание

Количество

1

BN302156

WIRE HARNESS

Vehicle, Allison

1шт.

2

BN303517

WIRE HARNESS

Selector, Allison

1шт.

3

BN302158

WIRE HARNESS

Transmission, ECU MD3066

1шт.

4

BN303272

WIRE HARNESS

Engine Derate

1шт.

5

BN302159

WIRE HARNESS

Transmission, Interface

1шт.

6

BN302790

WIRE HARNESS

Universal Cruise (FLX4375)

1шт.

7

BN325011

WIRE HARNESS

Titan Main Cab

1шт.

8

BN302341

Harness, Engine (FLX4375, See Fig 08-001)

1шт.

9

BN303289

WIRE HARNESS

Jumper J1587 (FLX4375)

1шт.

10

BN304955

PANEL

Electrical Assembly, See Fig 08-004

1шт.

11

BN314900

Left Dash Assembly, See Fig 01-001

1шт.

12

BN325010

WIRE HARNESS

LTS Inside Cab

1шт.

13

BN342470A1

Harness, HYD. Oil Sensors

1шт.

14

BN325007

WIRE HARNESS

Titan Lights

1шт.

15

BN306085

WIRE HARNESS

Remote Cruise (Use With Remote Box Only)

1шт.

16

BN322801

WIRE HARNESS

Windshield Washer

1шт.

18

BN320405

WIRE HARNESS

B3F/B4M/Cim Dash

1шт.

19

BN320406

WIRE HARNESS

C1F Right Console

1шт.

20

BN8207085

WIRE HARNESS

Foam Marker

1шт.

21

BN309309

WIRE HARNESS

Front Work Light (FLX4375)

1шт.

22

BN313328

WIRE HARNESS

H. Lamp 3 Wheel

1шт.

23

BN313327

WIRE HARNESS

H. Lamp 4 Wheel

1шт.

Выбрано товаров: 22