Качественные детали и логистика
Оригинальные и аналоговые запчасти с доставкой по России, Казахстану и Беларуси
©2022 PartSell ООО "Система" ИНН 2463123282 ОГРН 1212400004838
Центральный офис: г. Красноярск, Академика Киренского, д.87, пом.4
Телефон: 8 (800) 777-65-74 Email: zakaz@partsell.ru
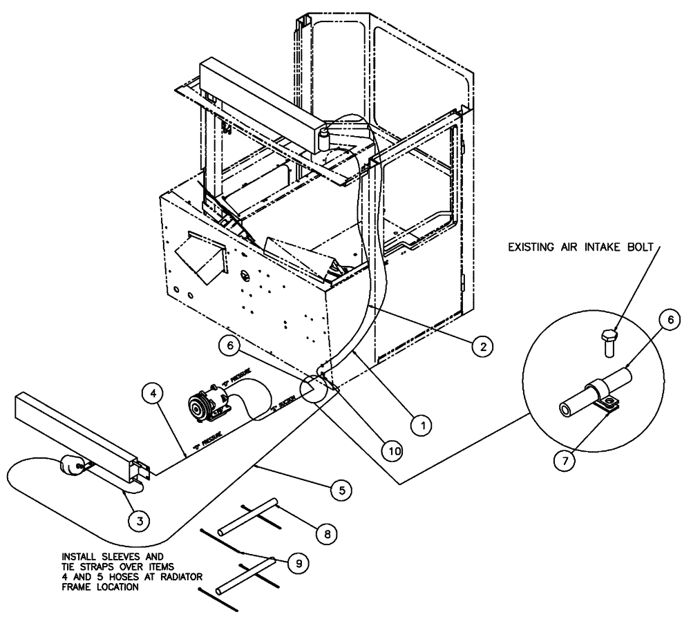
(01-014) - HVAC HOSE GROUP (FLX4300)
№
Артикул
Название
Примечание
Количество
1
BN320842
HOSE
Assembly, Bulkhead To Evapotator
1шт.
2
BN320841
Assembly, Evaporator To Cab
3
BN320938
Assembly, COND. To Dryer
4
BN320937
Assembly, COMP. To COND.
5
BN320939
Assembly, Dryer To Cab
6
BN321505
Assembly, Cab To COMP.
7
87035382
CLAMP,30.2mm, Coat, 10.3mm Bolt Hole, P Type
8
BN322742
HOSE,1.42" ID x 18.00"
Sleeve
2шт.
9
BN570007
STRAP
Black Only .12-4.0 Band
4шт.
10
411106A1
FITTING
Bulkhead 7/8-14M
Выбрано товаров: 0