Запчасти Case IH FLX4300 (04-021) - HOOD ASSEMBLY (FLX4375) Frame & Suspension

Схема запчастей Case IH FLX4300 - (04-021) - HOOD ASSEMBLY (FLX4375) Frame & Suspension
28
2
26
26
5
15
16
9
28
17
25
18
6
23
1
15
2
21
24
14
7
6
3
8
13
4
22
19
5
2
20
27
26
11
7
12
10
13
5
16
FIT
1:1
100%

Артикул

Название

Примечание

Количество

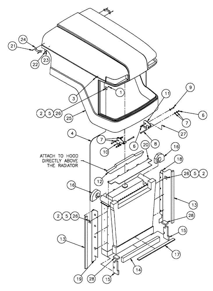
1

BN1470403C

FLANGE NUT

5/16-18, Fln, G8

2шт.

2

BN2402055

THIMBLE

Wire Rope 3/16"

4шт.

3

BN2403270

BOLT

Carriage, 5/16 X 1 1/4 SS

2шт.

4

BN2403397

CABLE

Vinylcoat 3/16 DRV

10шт.

5

BN2403398

CLAMP

Wire Rope 3/16

4шт.

6

100038

NUT,M12 x 1.75, Cl 8

6шт.

7

BN300500

WASHER,M12, 10.9

12шт.

8

328048

BOLT,M12 x 1.75 x 147.68mm OAL, Cl 8.8

2шт.

9

9706702

BOLT,Hex, M12 x 1.75 x 50mm, Cl 8.8

4шт.

10

BN302851

MOUNTING PLATE

Hinge, Frame, RH

1шт.

11

BN302852

MOUNTING PLATE

Hinge, Frame, LH

1шт.

12

BN303907

FOAM

Foam, Top Radiator

1шт.

13

BN303908

Foam, Side Radiator

2шт.

14

BN303909

FOAM

Bottom Center Radiator

1шт.

15

BN322733

FOAM

Bot Side, Radiator

2шт.

16

BN304322

FOAM

Top Corner, Radiator

2шт.

17

BN304326

FOAM

Condenser

1шт.

18

BN304685

FOAM

Wing, L.H.

1шт.

19

BN304686

BRACKET

Wing, R.H.

1шт.

20

BN305156

COWLING

Rubber, Top

1шт.

21

BN310264

SCREW,#10 - 24 x 1 1/4", SST

10-24 X 1-1/4", BSH, SS

4шт.

22

BN310265

WASHER

10, Stainless Steel

4шт.

23

BN310266

BHD LOCK NUT,#10-24, Nylon, Stainless Steel

4шт.

24

BN311626

HANDLE

Molded Grab, Black

2шт.

25

BN311823

HOOD ASSY.

542, Red

1шт.

26

BN7142951

SHEET

Cable Anchor

4шт.

27

BN10465

NIPPLE, LUBE,1/4"-28 st

NIPPLE

4шт.

28

BN319381

FOAM

Fuel Tank, LH

2шт.

Выбрано товаров: 28