Запчасти Case IH FLX4330 (03-004) - TRANSMISSION MOUNTING (FLX 4300, FLX 4330 W/CAT 3208 OR JD6081 ENGINE AUTO) (03) - TRANSMISSION

Схема запчастей Case IH FLX4330 - (03-004) - TRANSMISSION MOUNTING (FLX 4300, FLX 4330 W/CAT 3208 OR JD6081 ENGINE AUTO) (03) - TRANSMISSION
17
8
4
6
7
3
9
14
11
2
13
15
5
16
13
12
9
10
1
9
FIT
1:1
100%

Артикул

Название

Примечание

Количество

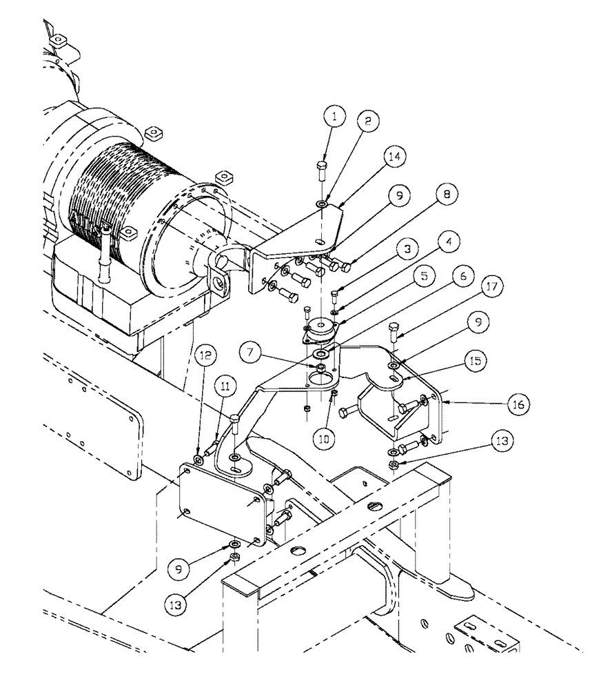
1

350616

BOLT,M16 x 2 x 90mm, Cl 8.8

1шт.

2

BN300501

WASHER

M16, FW, 10.9

1шт.

3

9515003

BOLT,Hex, M10 x 1.5 x 30mm, Cl 10.9

6шт.

4

BN300499

WASHER,M10, 10.9

6шт.

5

BN306728

ENGINE MOUNT

3шт.

6

BN308164

WASHER

Rebound

3шт.

7

BN300410

BOLT

M16-2, FLN, 8.8

3шт.

8

BN301356

BOLT

M12-1.75 X 60, HH, 10.9

5шт.

9

BN300500

WASHER,M12, 10.9

9шт.

10

BN300358

NUT

M10-1.5, FLN, 8.8

6шт.

11

BN300367

BOLT

1/2-20 X 1, HH, G8

8шт.

12

87529240

WASHER,0.53" ID x 1.06" OD x 0.13" Thk

0.531 x 1.062 x 0.134 HTS DOR HDN

8шт.

13

BN304551

SCREW

M12-1.75, FLN, 10.9

2шт.

14

BN309551

BRACKET, SUPPORTING

Mount Trans.

1шт.

15

BN310270

MOUNTING PLATE

Transmission 4300

1шт.

16

BN308225

MOUNTING PLATE

Transmission

2шт.

17

337563

BOLT,M12 x 1.75 x 47.68mm, Cl 10.9

2шт.

Выбрано товаров: 17