Запчасти Case IH FLX4330 (08-002[01]) - MAIN ELECTRICAL HARNESSES (06) - ELECTRICAL

Схема запчастей Case IH FLX4330 - (08-002[01]) - MAIN ELECTRICAL HARNESSES (06) - ELECTRICAL
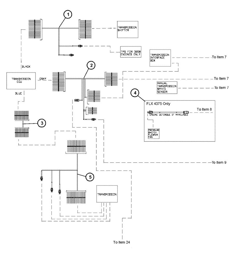
4
5
3
2
1
FIT
1:1
100%

Артикул

Название

Примечание

Количество

1

BN302156

WIRE HARNESS

Vehicle, ALLISON

1шт.

2

BN303517

WIRE HARNESS

Selector, ALLISON

1шт.

3

BN302158

WIRE HARNESS

Trans, ECU MD3066

1шт.

4

BN303272

WIRE HARNESS

Engine Derate

1шт.

FLX4375 W/Cat 3176 & FLX4300 W/JD Engine

1шт.

5

BN302159

WIRE HARNESS

Trans., Interface

1шт.

6

BN302790

WIRE HARNESS

Universal

1шт.

FLX4375 Cat 3176 Only

1шт.

7

BN314286

WIRE HARNESS

Titan Main Cab

1шт.

8

BN314455

WIRE HARNESS

Engine, Does Not Contain Tach Connector

1шт.

FLX4375 Cat 3176 Only

1шт.

8

BN325643

WIRE HARNESS

Engine, Contains Tach Connector

1шт.

FLX4375 Cat 3176 Only

1шт.

9

BN303289

WIRE HARNESS

Jumper J1587

1шт.

FLX4375 Cat 3176 Only

1шт.

10

NSS

NOT SOLD SEPARAT

Electrical Panel

1шт.

See Fig. 08-003

1шт.

11

NSS

NOT SOLD SEPARAT

Left Dash

1шт.

See Fig. 01-001

1шт.

12

BN311846

WIRE HARNESS

LTS Inside Cab

1шт.

13

BN303224

WIRE HARNESS

Hyd. Oil Sensors

1шт.

14

BN325007

WIRE HARNESS

Titan Lights

1шт.

15

BN306085

WIRE HARNESS

Remote Cruise

1шт.

Use With Remote Box Only

1шт.

16

BN8207076

WIRE HARNESS

Windshield Washer

1шт.

17

BN314454

WIRE HARNESS

Engine

1шт.

Cat 3208 Engine

1шт.

18

BN8207047

WIRE HARNESS

B3F/B4M/CIM Dash

1шт.

19

BN8207045

WIRE HARNESS

C1F Right Console

1шт.

20

BN8207085

WIRE HARNESS

Foam Marker

1шт.

21

BN309309

WIRE HARNESS

Front Work Light

1шт.

FLX4375 Only

1шт.

22

BN313328

WIRE HARNESS

H. Lamp 3 Wheel

1шт.

23

BN313327

WIRE HARNESS

H. Lamp 4 Wheel

1шт.

24

BN304102

CABLE

JOHN DEERE 6081HF001 300 HP Engine Only

1шт.

25

BN302783

WIRE HARNESS

Engine Interface, JOHN DEERE 6081HF001 300 HP Engine Only

1шт.

26

BN303948

WIRE HARNESS

JD ECU To Engine, JOHN DEERE 6081HF001 300 HP Engine Only

1шт.

Выбрано товаров: 37