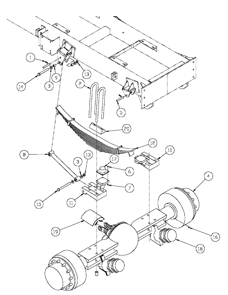
Запчасти Case IH FLX4330 (04-007) - REAR AXLE ASSEMBLY Frame & Suspension

Схема запчастей Case IH FLX4330 - (04-007) - REAR AXLE ASSEMBLY Frame & Suspension
8
12
9
17
3
16
7
20
4
10
5
3
2
19
13
18
15
14
11
13
6
1
FIT
1:1
100%

Артикул

Название

Примечание

Количество

1

BN1630464

PIN

1/8 X 2-1/2

4шт.

2

BN2292167

U-BOLT

1" x 3 1/2" x 21 1/2"

4шт.

3

87310608

WASHER,22mm ID x 44mm OD x 5mm Thk

22 x 44 x 5 mm, HDN, DOR

8шт.

4

BN2393107

Rear PRC673-P234

1шт.

5

BN2391616

PIN,19.05mm OD x 152.4mm L

Rebound

4шт.

6

BN302743

BOLT

M10-1.5 X 45, HH, 10.9

8шт.

7

BN304419

NUT

M10-1.5, NLN, 10.9

8шт.

8

BN304485

ARM ASSY.

Trailing, 21.5", Adj.

2шт.

9

BN304486

BUSHING,22.35mm ID x 31.75mm OD x 26.92mm L

1.25 X .88 X 1.06 L

4шт.

10

BN323481

PAD

Axle Spring, CS

1шт.

11

BN323480

PAD

Axle Spring, RS

1шт.

12

BN305155

LEAF SPRING

Rear 14

2шт.

13

BN305518

NUT

M22-2.5, NLN, 10.9

4шт.

14

BN306449

BOLT

M22-2.5 X 180, HH, 10.9

2шт.

15

BN320269

BOLT

M22-2.5 X 240, HH, 10.9

2шт.

16

BN41288

LUBE NIPPLE

1/8-27 X 90 Degree

2шт.

17

BN5183018

BUMPER

Rubber, 2 1/8"

2шт.

18

BN7136129

BRAKE ASSY.

Chamber Assy/Inst

2шт.

19

BN7136365

GUARD

U-Joint

1шт.

20

87268392

U-BOLT

Seat, Rear

2шт.

Выбрано товаров: 20