Запчасти Case IH FLX4330 (04-018) - HOOD ASSEMBLY (FLX 4375) Frame & Suspension

Схема запчастей Case IH FLX4330 - (04-018) - HOOD ASSEMBLY (FLX 4375) Frame & Suspension
5
21
22
5
23
13
7
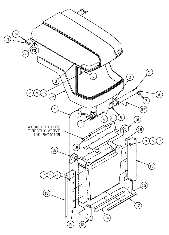
1
2
12
16
7
2
2
18
15
10
24
14
17
13
6
20
25
19
15
26
27
16
5
3
11
8
26
4
26
6
9
FIT
1:1
100%

Артикул

Название

Примечание

Количество

1

BN1470403C

FLANGE NUT

5/16-18, FLN, G8

2шт.

2

BN2402055

THIMBLE

Wire Rope 3/16"

4шт.

3

BN2403270

BOLT

Carriage 5/16 X 1-1/4 SS

2шт.

4

BN2403397

CABLE

Vinylcoat 3/16 DRV

10шт.

5

BN2403398

CLAMP

Wire Rope 3/16

4шт.

6

BN300359

BOLT

M12-1.75, FLN, 8.8

6шт.

7

BN300500

WASHER,M12, 10.9

12шт.

8

BN301082

NUT

M12-1.75 X 140, HH, 8.8

2шт.

9

BN302747

BOLT

M12-1.75 X 50, HH, 10.9

4шт.

10

BN302851

MOUNTING PLATE

Hinge, Frame, R.H.

1шт.

11

BN302852

MOUNTING PLATE

Hinge, Frame, L.H.

1шт.

12

BN303907

FOAM

Top Radiator

1шт.

13

BN303908

Side Radiator

2шт.

14

BN303909

FOAM

Bottom Center Radiator

1шт.

15

BN303910

FOAM

Bottom Side, Radiator

2шт.

16

BN304322

FOAM

Top Corner, Radiator

2шт.

17

BN304326

FOAM

Condenser

1шт.

18

BN304685

FOAM

L.H.

1шт.

19

BN304686

BRACKET

R.H.

1шт.

20

BN305156

COWLING

Top

1шт.

21

BN310264

SCREW,#10 - 24 x 1 1/4", SST

10-24 X 1-1/4", BSH, SS

4шт.

22

BN310265

WASHER

10, Stainless Steel

4шт.

23

BN310266

BHD LOCK NUT,#10-24, Nylon, Stainless Steel

4шт.

24

BN311626

HANDLE

Molded Grab, Black

2шт.

25

BN311823

HOOD ASSY.

542, Red

1шт.

26

BN7142951

SHEET

Cable Anchor

4шт.

27

BN10465

NIPPLE, LUBE,1/4"-28 st

NIPPLE

4шт.

Выбрано товаров: 27