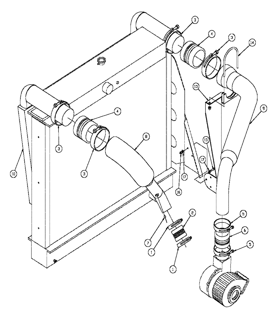
Запчасти Case IH FLX4375 (02-026) - CHARGE AIR COOLER TUBES GROUP (FLX 4300 JD ENGINE) (01) - ENGINE

Схема запчастей Case IH FLX4375 - (02-026) - CHARGE AIR COOLER TUBES GROUP (FLX 4300 JD ENGINE) (01) - ENGINE
3
5
10
3
3
2
14
9
13
8
17
1
4
17
15
6
3
4
7
16
5
1
FIT
1:1
100%

Артикул

Название

Примечание

Количество

1

BN300333

CLAMP

Constant Torq, 3.00"

2шт.

2

BN304916

HOSE,2.50" ID

CAC (364)

1шт.

3

BN310885

CLAMP

Constant Torq, 4.75

4шт.

4

BN310886

HOSE

CAC 4.50" Series 367

2шт.

5

BN300759

CLAMP

Constant Torque, 3.25"

2шт.

6

BN2390865

HOSE

CAC 3" 367 Series

1шт.

7

BN304582

SWITCH

Air Temp

1шт.

8

BN306752

TUBE

CAC Return

1шт.

9

BN306753

TUBE

Turbo Pressure

1шт.

10

BN305717

RADIATOR

CAC 34 X 27

1шт.

13

BN312839

SUPPORT

CAC Tube 300 HP JD

1шт.

14

BN25927

CLAMP,104.8mm ID

4" Muffler

1шт.

15

BN300363

BOLT

M6-1 X 20, HH, 8.8

3шт.

16

BN300428

NUT

M6-1, FLN, 8.8

3шт.

17

BN300488

WASHER

M6, Flat, 8.8

6шт.

Выбрано товаров: 15