Запчасти Case IH FLX4375 (06-009) - HYDRAULIC TANK FILTER (07) - HYDRAULICS

Схема запчастей Case IH FLX4375 - (06-009) - HYDRAULIC TANK FILTER (07) - HYDRAULICS
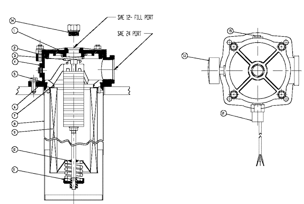
13
1
11
9
3
8
4
7
2
6
5
12
15
10
14
FIT
1:1
100%

Артикул

Название

Примечание

Количество

BN307779

Tank, SAE24, 6ABS

1шт.

Not Shown

1шт.

Includes Refs. 1 - 12 & 14, 15

1шт.

1

BN54259

COVER

Filter Assembly

1шт.

2

BN54260

O-RING

Cover, Filter A

1шт.

3

BN54261

COIL SPRING

conical

1шт.

4

BN306202

HEAD

1шт.

5

BN54263

O-RING

insert, Buna

1шт.

6

BN54264

GASKET

Tank

1шт.

7

BN54265

SEAL

Bypass

1шт.

8

BN54266

FILTER

Assembly

1шт.

9

BN307777

ELEMENT

For 307779

1шт.

10

BN54267

O-RING

element

1шт.

11

BN54268

Bypass

1шт.

12

BN53955

PRESSURE SWITCH

For 53952

1шт.

13

BN311360

INDICATOR

Return Line

1шт.

14

BN54270

PLUG

External, W/O-Ring #12

1шт.

15

BN54271

PLUG

Int Hex, 1/4 NPT

2шт.

BN54269

SEAL KIT

For Filter

1шт.

Not Shown

1шт.

Выбрано товаров: 20