Качественные детали и логистика
Оригинальные и аналоговые запчасти с доставкой по России, Казахстану и Беларуси
©2022 PartSell ООО "Система" ИНН 2463123282 ОГРН 1212400004838
Центральный офис: г. Красноярск, Академика Киренского, д.87, пом.4
Телефон: 8 (800) 777-65-74 Email: zakaz@partsell.ru
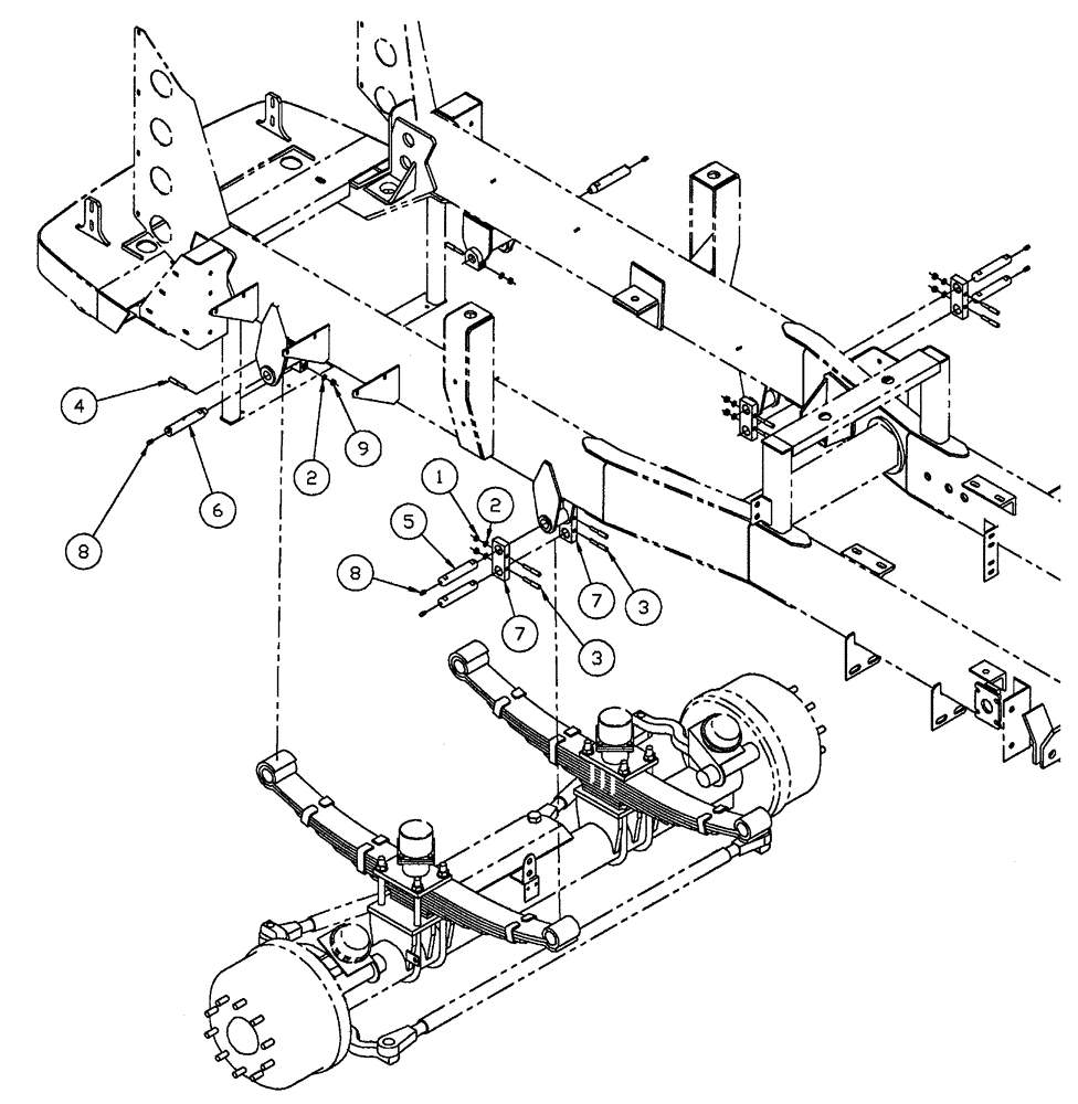
(04-002) - FRONT AXLE INSTALL KIT
№
Артикул
Название
Примечание
Количество
1
88902
NUT,3/8"-16
8шт.
2
BN2292371
NUT
3/8, FW, G8
10шт.
3
BN2294181
KEY
Draw, #113
4
BN2294185
Draw LP#107 Flagg
2шт.
5
BN2391613
PIN,31.7mm OD x 165.1mm L
Shackle B1367-55
4шт.
6
BN2391614
PIN,31.7mm OD x 178.82mm L
Front B1366-55 Flagg
7
BN2394958
SHACKLE
Front, E397-55
8
BN2651850
LUBE NIPPLE
Zerk, 1/8 STR 5000
6шт.
9
BN50995
LOCK NUT
3/8"-24 UNF, Centerloc
Выбрано товаров: 0