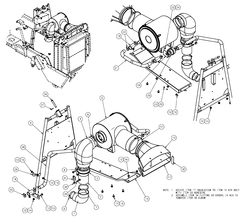
Запчасти Case IH FLX4510 (02-011) - AIR INTAKE GROUP (01) - ENGINE

Схема запчастей Case IH FLX4510 - (02-011) - AIR INTAKE GROUP (01) - ENGINE
16
11
7
20
12
3
4
15
12
10
13
12
28
16
23
2
14
27
12
19
26
9
8
12
17
34
8
12
1
25
29
18
30
22
24
5
32
12
22
23
12
16
6
31
14
21
16
18
FIT
1:1
100%

Артикул

Название

Примечание

Количество

1

BN306335

ELBOW

90°, 5 x 4

1шт.

2

343401A1

AIR INTAKE TUBE,127 mm OD, 125 mm Length

Air Cleaner/Turbo

1шт.

3

BN323687

INSERT

6" To 5" Rubber

1шт.

4

BN323203

ELBOW

6" Cobra

1шт.

5

363786A1

AIR CLEANER

assembly

1шт.

367349A1

FILTER

Primary

1шт.

Service Parts For Ref. 5

1шт.

367350A1

AIR FILTER

secondary

1шт.

Service Parts For Ref. 5

1шт.

6

87485012

CLAMP,3.75" - 4.62", Worm Gear

3.75/4.625 HD Worm, W/liner

1шт.

7

214-3288

HOSE CLAMP,4-3/4" - 5-5/8", HD Worm, W/ Liner

1шт.

8

87485016

CLAMP,5.75" - 6.62", Worm Gear

6.625/5.75 W/LNR SST

2шт.

9

87267211

SUPPORT

Air Cleaner/Hood

1шт.

10

BN323204

DUCT

Air Intake

1шт.

11

87487825

CLAMP,9.25" - 10.12", Worm Gear

9.25/10.125 W/LNR

1шт.

12

86639325

WASHER,10.8mm ID x 24.5mm OD x 3mm Thk

20шт.

13

9706704

BOLT,Hex, M10 x 1.5 x 41.58mm, Cl 8.8

4шт.

14

100037

LOCK NUT,M10 x 1.5, Cl 8

7шт.

15

87268584

SUPPORT

Air Cleaner

1шт.

16

11106231

BOLT,Hex, M10 x 1.5 x 25mm, Cl 10.9

9шт.

17

344093A1

FOAM INSULATION

Reflective

1шт.

18

87268290

HOSE,1.50" ID x 3.00"

EPDM

4шт.

19

342654A1

BRACKET, SUPPORTING

mount, aspirator

1шт.

20

307123A1

VALVE

Aspirator Exhaust

1шт.

21

344357A1

TUBE

Precleaner

1шт.

22

86634186

HOSE CLAMP,32mm - 54mm

8шт.

23

86588450

WASHER,6.6mm ID x 12mm OD x 1.6mm Thk

4шт.

24

86508568

BOLT,Hex, M6 x 1 x 16mm, Cl 8.8

2шт.

25

353308

NUT,M6 x 1.0, Cl 8

2шт.

26

728-16100

CLEVIS PIN,M16 x 100

1шт.

27

733-4032

COTTER PIN,M4 x 32

1шт.

28

86986685

TUBE,38.10 mm OD

Pre-Cleaner, Mid

1шт.

29

86637998

CLAMP,38.1mm, Coat, 10.3mm Bolt Hole, P Type

1шт.

30

84015293

ELBOW,90 Degree, 1/8"-27 Female x 1/8"-27 Male

1шт.

31

279492A1

RESTRICTION SWITCH

Air Restriction

1шт.

32

86986536

DUCT

Standoff, Air

2шт.

33

BN54039

ADHESIVE

Spray 18 oz

1шт.

34

D36264

FITTING

Adapter Air Cleaner

1шт.

Выбрано товаров: 38