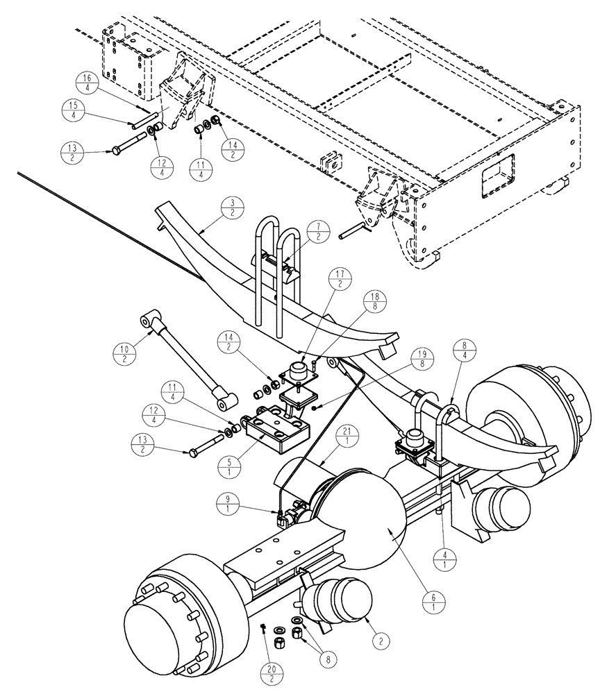
Запчасти Case IH FLX4510 (04-005) - REAR AXLE GROUP, FLX4010 & FLX4510, WITH AUXILIARY Frame & Suspension

Схема запчастей Case IH FLX4510 - (04-005) - REAR AXLE GROUP, FLX4010 & FLX4510, WITH AUXILIARY Frame & Suspension
21
13
9
3
2
15
16
14
6
12
20
13
5
11
8
14
19
8
17
10
7
12
4
11
18
FIT
1:1
100%

Артикул

Название

Примечание

Количество

1

87027134

FLUID

Oil, SAE 85W140, MS1616NH 1QT

26шт.

2

NS

NOT SERVICED

Brake Chamber, Assembly

2шт.

2a

BN2290528

FITTING

2103-6-6

2шт.

Parts Of Brake Chamber Assembly, P/N 343361A1

1шт.

2b

BN2399367

BRAKE

MGM Brake #3436078

1шт.

Parts Of Brake Chamber Assembly, P/N 343361A1

1шт.

3

BN305155

LEAF SPRING

Rear 14

2шт.

4

343709A1

PAD

Axle SP, 0 Degree, CS

1шт.

5

343708A1

PAD

Axle SP, 0 Degree, RS

1шт.

6

87493492

AXLE

PRC674, 16.56/23.10, Start Year: 01-JUL-08

1шт.

6

87267974

AXLE

PRC674, 16.56/23.10, Years: -01-JUL-08

1шт.

See Figs. 04-006 And 04-007 And 04-008

1шт.

7

87268392

U-BOLT

Seat, Rear

2шт.

8

BN2292167

U-BOLT

1" x 3 1/2" x 21 1/2"

4шт.

9

NSS

NOT SOLD SEPARAT

Shift Group, 2-Speed, Air, Start Serial: 6700

1шт.

See Fig. 07-010

1шт.

9

NSS

NOT SOLD SEPARAT

Shift Group, 2-Speed, Air

1шт.

Indicates Old Part Number Or Can Order Newer Part Number Listed Above

1шт.

See Fig. 07-011

1шт.

10

BN304485

ARM ASSY.

Trailing, 21.5", ADJ

2шт.

11

BN304486

BUSHING,22.35mm ID x 31.75mm OD x 26.92mm L

1.25 X .88 X 1.06 L

8шт.

12

87529313

WASHER,24mm ID x 44mm OD x 4mm Thk

24 x 44 x 4mm, HDN, DOR

8шт.

13

86980478

BOLT,Hex, M22 x 2.5 x 180mm, Cl 8.8

4шт.

14

86980519

NUT,Prev Torque, Hex, M22, 2.5 Pitch, Cl 8, DOR

4шт.

15

BN2391616

PIN,19.05mm OD x 152.4mm L

Rebound

4шт.

16

733-4032

COTTER PIN,M4 x 32

4шт.

17

BN5183018

BUMPER

Rubber, 2 1/8"

2шт.

18

86980404

BOLT,Hex, M10 x 1.5 x 45mm, Cl 8.8

8шт.

19

86980515

NUT,Hex, M10 x 1.5, Cl 8.8, DOR

8шт.

20

BN41288

LUBE NIPPLE

1/8-27 X 90 Degree

2шт.

21

87269589

GUARD

U-Joint

1шт.

22

331-37

SPARE PART

FLUID, 1 lb. Lithium #2 grease

1шт.

23

ZPX27136

SEALANT, THREAD

Adhesive, 271

1шт.

Выбрано товаров: 33