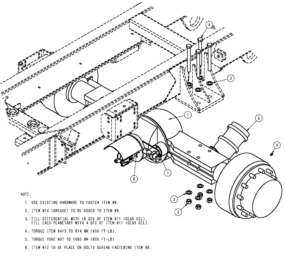
Запчасти Case IH TITAN 3020 (04-004) - REAR AXLE GROUP, TITAN 3020 & TITAN 3520, WITH AUXILIARY Frame & Suspension

Схема запчастей Case IH TITAN 3020 - (04-004) - REAR AXLE GROUP, TITAN 3020 & TITAN 3520, WITH AUXILIARY Frame & Suspension
3
3
7
8
5
6
1
9
4
FIT
1:1
100%

Артикул

Название

Примечание

Количество

1

87267974

AXLE

PRC674, 16.56/23.10, Years: -01-JUL-08

1шт.

See Figs. 04-005, 04-006 and 04-007

1шт.

3

87529235

WASHER,1.06" ID x 2" OD x 0.21" Thk

1.0625 x 2 x 0.209, HTS, DOR

16шт.

4

BN319750

BOLT

1-14 X 10, HH, GR8

8шт.

5

BN1470411F

LOCK NUT

1"-14 Flex

8шт.

6

NS

NOT SERVICED

Brake, Assembly

2шт.

6a

BN2290528

FITTING

2103-6-6

2шт.

Parts Of Brake Chamber, Assembly, Ref. 6

1шт.

6b

BN2399367

BRAKE

MGM Brake #3436078

1шт.

Parts Of Brake Chamber, Assembly, Ref. 6

1шт.

7

NS

NOT SERVICED

Group, 2 Speed Pneumatic

1шт.

See Fig. 07-013

1шт.

8

87269589

GUARD

U-JOINT

1шт.

9

BN41288

LUBE NIPPLE

ZERK, 1/8-27 X 90 DEG

2шт.

10

331-37

SPARE PART

FLUID, 1 lb. Lithium #2 grease

1шт.

11

87027134

FLUID

Oil, SAE 85W140, MS1616NH 1QT

26шт.

12

ZPX27136

SEALANT, THREAD

Adhesive, 271

1шт.

Выбрано товаров: 0