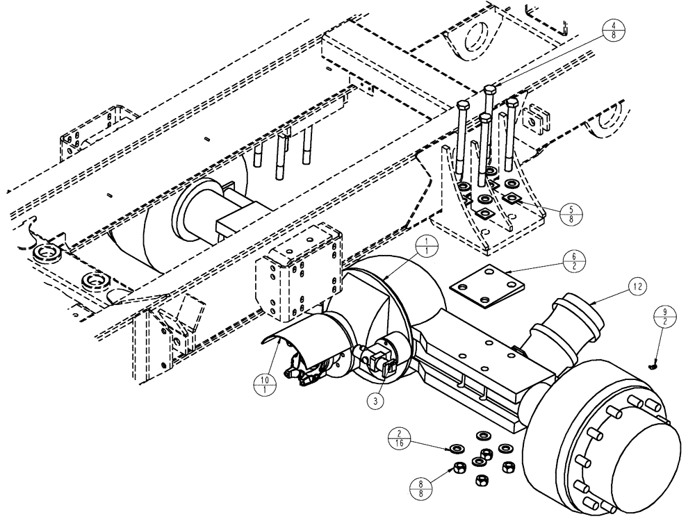
Запчасти Case IH TITAN 3020 (04-005) - REAR AXLE GROUP, TITAN 3020, W/O AUXILIARY Frame & Suspension

Схема запчастей Case IH TITAN 3020 - (04-005) - REAR AXLE GROUP, TITAN 3020, W/O AUXILIARY Frame & Suspension
9
2
3
5
6
1
4
8
12
10
FIT
1:1
100%

Артикул

Название

Примечание

Количество

1

87493492

AXLE

PRC674, 16.56/23.10, Start Year: 01-JUL-08

1шт.

See Figs. 04-006, 04-007 and 04-008

1шт.

1

87267974

AXLE

PRC674, 16.56/23.10, Years: -01-JUL-08

1шт.

See Figs. 04-006, 04-007 and 04-009

1шт.

2

87529235

WASHER,1.06" ID x 2" OD x 0.21" Thk

1.0625 x 2 x 0.209, HTS, DOR

16шт.

3

NS

NOT SERVICED

Group, 2 Speed Pneumatic, Start Serial: 6700

1шт.

See Fig. 07-014

1шт.

3

BN324360

Group, 2 Speed Pneumatic

1шт.

See Fig. 07-015

1шт.

4

BN314729

BOLT

1-14 X 11, HH, Grade 8

8шт.

5

343357A1

WASHER

Axle Washer

8шт.

6

343359A1

WEDGE

Caster Alignment

2шт.

7

87027134

FLUID

Oil, SAE 85W140, MS1616NH 1QT

1шт.

8

BN1470411F

LOCK NUT

1"-14 Flex

8шт.

9

BN41288

LUBE NIPPLE

1/8"-27 x 90º

2шт.

10

87269589

GUARD

U-Joint

1шт.

11

331-37

SPARE PART

FLUID, 1 lb. Lithium #2 grease

1шт.

12

NS

NOT SERVICED

Brake, Assembly

2шт.

12a

BN2290528

FITTING

2103-6-6

2шт.

Parts Of Brake Chamber, Assembly, Ref. 12

1шт.

12b

BN2399367

BRAKE

MGM Brake #3436078

1шт.

Parts Of Brake Chamber, Assembly, Ref. 12

1шт.

13

ZPX27136

SEALANT, THREAD

Adhesive, 271

1шт.

Выбрано товаров: 23