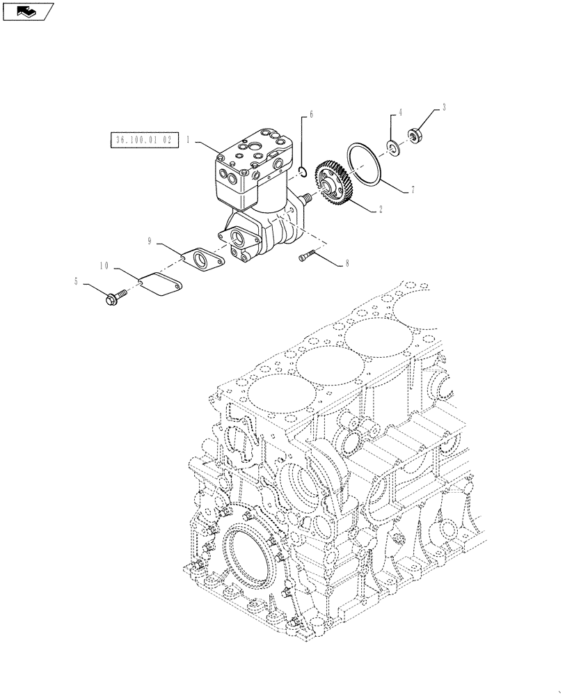
Запчасти Case IH TITAN 3030 (36.100.01[01]) - AIR COMPRESSOR (504387497) (36) - PNEUMATIC SYSTEM

Схема запчастей Case IH TITAN 3030 - (36.100.01[01]) - AIR COMPRESSOR (504387497) (36) - PNEUMATIC SYSTEM
9
1
home
10
36.100.01 02
6
4
7
8
2
5
3
FIT
1:1
100%

Артикул

Название

Примечание

Количество

1

504308489

AIR COMPRESSOR

See Fig. 36.100.01[02] For Service Kit

1шт.

2

87520321

GEAR

1шт.

3

504016500

NUT

1шт.

4

10520304

WASHER,18.8mm ID x 32mm OD x 4mm Thk

1шт.

5

18139424

SCREW,Hex, M10 x 20mm

2шт.

6

14456881

O-RING,0.362" ID x 0.103" Width

1шт.

7

14466981

O-RING,0.139" Thk x 5.109" ID, -251, Cl 7, 75 Duro

1шт.

8

16693924

BOLT

3шт.

9

504016778

GASKET,0.8mm Thk

1шт.

10

504016777

COVER

1шт.

Выбрано товаров: 10