Запчасти Case IH TITAN 3030 (36.100.07) - AIR MANIFOLD (36) - PNEUMATIC SYSTEM

Схема запчастей Case IH TITAN 3030 - (36.100.07) - AIR MANIFOLD (36) - PNEUMATIC SYSTEM
20
10
14
11
5
18
25
25
25
13
2
9
3
11
25
12
15
11
25
home
20
6
8
7
21
3
1
19
23
17
11
25
25
16
4
24
33.300.01
33.300.04
36.200.01
36.200.02
36.100.04
36.100.03
36.100.05
36.100.04
FIT
1:1
100%

Артикул

Название

Примечание

Количество

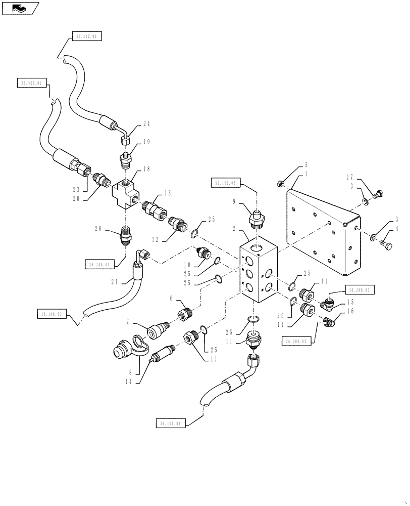
1

87266133

BRACKET, SUPPORTING

Mount, Air Manifold

1шт.

2

BN326042

BODY

Air Manifold, Aluminum

1шт.

3

87529315

WASHER,9mm ID x 17mm OD x 2mm Thk

9 x 17 x 2 mm, HDN, DOR

7шт.

4

86980379

BOLT,Hex, M8 x 1.25 x 20mm, Cl 8.8

3шт.

5

86980514

LOCK NUT,Hex, M8, Cl 8, DOR

3шт.

6

BN302360

FITTING

1/4" NPT x 3/4 - 16 ORB

1шт.

7

BN2393326

COUPLING

1/4" Female Body, Will Mate With Industrial Interchange 1/4" Male Body

1шт.

8

87267960

COVER

Dust, Air Chuck

1шт.

9

BN444003

FITTING

8MJ-12MB

2шт.

10

BN21249

ADAPTER,3/4" - 16 ORFS x 7/16" - 20 JIC

1шт.

11

BN323191

FITTING

1/4" NPT x 3/4 - 16 ORB

4шт.

12

BN302709

FITTING

8MB-8MP

1шт.

13

BN2295247

CHECK VALVE

Air

1шт.

14

BN2290667

HYDRAULIC VALVE

Safety

1шт.

15

BN2399411

ADAPTER

Elbow, 1/4" MPT x 3/8" OD Tube, Push Lock Fitting

1шт.

16

BN2399404

90 ELBOW

1/4" MPT x 1/4" OD Tube, Push Lock Fitting

1шт.

17

86980378

BOLT,Hex, M8 x 1.25 x 16mm, Cl 8.8, Full Thd

4шт.

18

BN51647

TEE

1/2 - 14 NPTF

1шт.

19

BN21385

ADAPTER

1/2 - 14 NPTF x 7/16-20 JIC

1шт.

20

BN441006

ADAPTER

1/2 - 14 NPT x 3/4 - 16 JIC

2шт.

21

87266955

HOSE

7/16 - 20 Female JIC x 7/16 - 20 Female JIC Elbow x 1/4" ID x 60" Long, Manifold To Governor

1шт.

22

87266954

HOSE

3/4 - 16 Female JIC x 3/4 - 16 Female JIC Elbow x 1/2" ID x 17" Long, Manifold To Primary Air Tank

2шт.

23

87267667

HOSE

3/4 - 16 Female JIC x 3/4 - 16 Female JIC x 1/2" ID x 70" Long, Tee To Brake Pedal Valve

1шт.

24

84582276

AIR HOSE

7/16 - 20 Female JIC Elbow x 7/16 - 20 Female JIC Elbow x 1/4" ID x 15 7/8" Long, Tee To Park Brake Valve

1шт.

25

128825

O-RING,0.087" Thk x 0.644" ID, -908, Cl 6, 90 Duro

3/4" ORB

5шт.

Выбрано товаров: 25