Запчасти Case IH TITAN 3040 (25.400.AM [01]) - FRONT AXLE, AND BEARING ASSY (25) - FRONT AXLE SYSTEM

Схема запчастей Case IH TITAN 3040 - (25.400.AM [01]) - FRONT AXLE, AND BEARING ASSY (25) - FRONT AXLE SYSTEM
44.511.ae 01
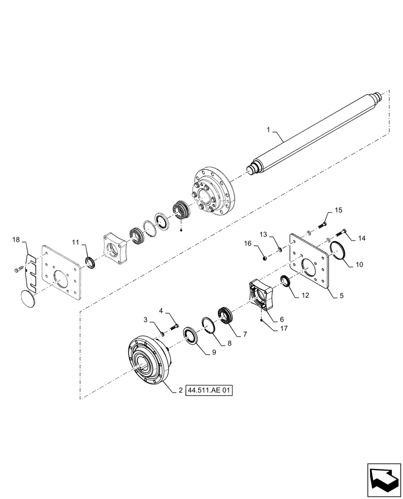
16
7
3
18
13
15
8
4
14
17
11
10
1
5
6
9
2
12
FIT
1:1
100%

Артикул

Название

Примечание

Количество

1

84540566

SHAFT

Front Axle

1шт.

2

87552447

HUB

115mm Axle

2шт.

3

87529313

WASHER,24mm ID x 44mm OD x 4mm Thk

2 x 44 x 4mm, HTS, DOR, HDN

10шт.

4

87342044

BOLT,Hex, M22 x 80mm, Cl 10.9

10шт.

5

47733170

COVER

Bearing

2шт.

6

47440174

BEARING HOUSING

Front Axle

2шт.

7

140447

ROLLER BEARING,70mm ID x 125mm OD x 31mm W

Spherical

2шт.

8

800-21130

SNAP RING,M130, Int

2шт.

9

84280779

SEAL

Double Lip

2шт.

10

613201

COVER,153.5mm OD x 42.1mm W

Hub Cap

2шт.

11

87268062

BEARING LOCK NUT,79.4 mm ID x 84.1 mm OD x 15.88 mm

LH

1шт.

12

87268061

BEARING LOCK NUT,79.4 mm ID x 84.1 mm OD x 15.88 mm

RH

1шт.

13

87310607

WASHER,17.5mm ID x 34mm OD x 5mm Thk

17.5 x 34.0 x 5mm, HDN, DOR

32шт.

14

86980447

BOLT,Hex, M16 x 80mm, Cl 8.8

M16 - 2 x 80 HH, 8.8 DOR

8шт.

15

87017895

BOLT,M16 x 2.0 x 70.18mm, Cl 10.9

12шт.

16

87344007

LOCK NUT

12шт.

17

BN10151

LUBE NIPPLE

1/8 - 27 Dryseal

2шт.

18

47384772

SHIM

Front Axle Bearing

12шт.

Выбрано товаров: 18