Запчасти Case IH TITAN 3520 (02-003) - ENGINE MOUNTS GROUP (01) - ENGINE

Схема запчастей Case IH TITAN 3520 - (02-003) - ENGINE MOUNTS GROUP (01) - ENGINE
3
8
12
3
3
13
7
2
1
15
9
4
5
8
10
9
14
15
4
4
5
6
FIT
1:1
100%

Артикул

Название

Примечание

Количество

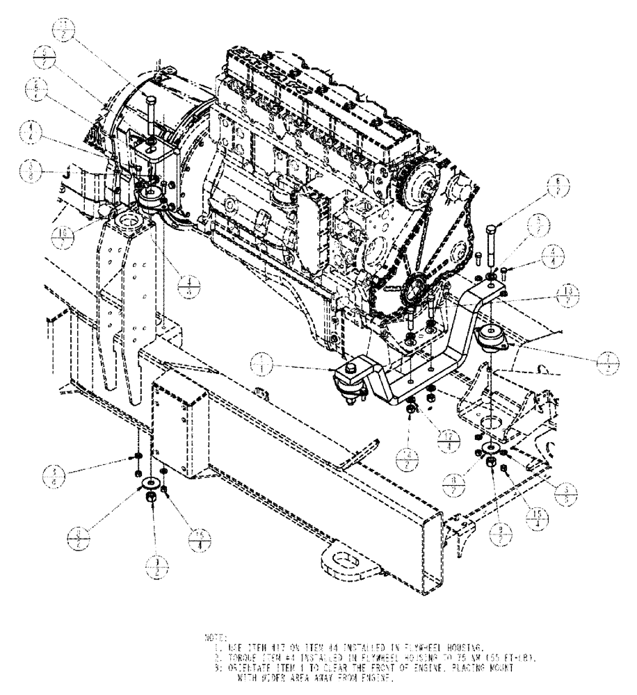
1

BN322759

CROSSMEMBER

ENGINE

1шт.

2

BN322752

PLATE

REAR ENG MOUNT

2шт.

3

86981496

WASHER,13.3mm ID x 24.5mm OD x 3mm Thk

24шт.

4

87342014

BOLT,M12 x 1.75 x 35mm, Class 10.9

Hex, M12 x 35 CL10.9 DOR

16шт.

5

87529307

WASHER,22mm ID x 37mm OD x 4mm Thk

22 x 37 x 4 mm, HDN, DOR

4шт.

6

87341999

BOLT,Hex, M20 x 140mm, Cl 10.9

M20 x 140, CL10.9, DOR

2шт.

7

BN322889

MOUNTING PLATE

FRONT ENGINE

2шт.

8

BN322925

WASHER

REBOUND M20

4шт.

9

87024336

NUT,M20 x 2.5, Cl 10

4шт.

10

BN324263

MOUNTING PLATE

CENTER BONDED

2шт.

11

87341998

BOLT,Hex, M20 x 130mm, Cl 10.9

Hex, M20 x 130 CL10.9 DOR

2шт.

12

87529306

WASHER,17.5mm ID x 30mm OD x 4mm Thk

17.5 x 30 x 4 mm, HDN, DOR

4шт.

13

87341990

BOLT,Hex, M16 x 70mm, Cl 10.9

M16 X 70, 10.9

2шт.

14

86980517

NUT,Hex, M16 - 2, Cl 8.8, DOR

2шт.

15

86980516

NUT,Prev Torque, Hex, M12, 1.75 Pitch, Cl 8, DOR

8шт.

Выбрано товаров: 15