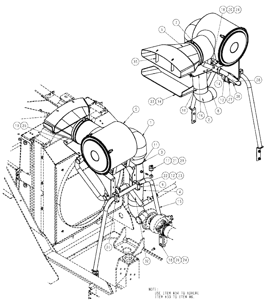
Запчасти Case IH TITAN 3520 (02-014) - AIR INTAKE SYSTEM (01) - ENGINE

Схема запчастей Case IH TITAN 3520 - (02-014) - AIR INTAKE SYSTEM (01) - ENGINE
33
10
25
6
19
8
27
23
11
26
20
1
5
28
13
16
29
15
21
14
35
30
17
7
4
24
18
26
12
9
3
18
24
32
2
22
FIT
1:1
100%

Артикул

Название

Примечание

Количество

1

BN323203

ELBOW

6" COBRA

1шт.

2

BN323688

ELBOW

5" TO 4" RUBBER

1шт.

3

BN323687

INSERT

6" TO 5" RUBBER

1шт.

4

BN323689

PIPE

5" FILTER TO TURBO

1шт.

5

363786A1

AIR CLEANER

assembly

1шт.

5a

367349A1

FILTER

PRIMARY

1шт.

Service Parts For Ref. 5

1шт.

5b

367350A1

AIR FILTER

secondary

1шт.

Service Parts For Ref. 5

1шт.

6

BN323204

DUCT

AIR INTAKE

1шт.

7

87487825

CLAMP,9.25" - 10.12", Worm Gear

9.25/10.125 W/LNR

1шт.

8

87485012

CLAMP,3.75" - 4.62", Worm Gear

3.75/4.625 HD Worm, W/liner

1шт.

9

BN309483

PLATE

Clamp Top, Single Clamp

2шт.

10

87485010

CLAMP,4.75" - 5.62", Worm Gear

4.75/5.625 HD Worm, W/liner

1шт.

11

87485016

CLAMP,5.75" - 6.62", Worm Gear

6.625/5.75 W/LNR SST

2шт.

12

87529314

WASHER,6.6mm ID x 12.5mm OD x 2mm Thk

6.6 x 12.5 x 2 mm, HDN, DOR

8шт.

13

307123A1

VALVE

ASPIRATOR EXHAUST

1шт.

14

86634186

HOSE CLAMP,32mm - 54mm

6шт.

15

BN325797

SUPPORT

Weldment, Air Cleaner

1шт.

16

BN325165

SUPPORT

Air Cleaner

1шт.

17

84015293

ELBOW,90 Degree, 1/8"-27 Female x 1/8"-27 Male

1шт.

18

11106231

BOLT,Hex, M10 x 1.5 x 25mm, Cl 10.9

8шт.

19

120104

BOLT,Hex, M8 x 1.25 x 20mm, Cl 8.8

2шт.

20

BN67054

CLAMP

1.315" OD

2шт.

21

279492A1

RESTRICTION SWITCH

AIR RESTRICTION

1шт.

22

86508570

BOLT,Hex, M6 x 80mm OAL, Cl 8.8

4шт.

23

353308

NUT,M6 x 1.0, Cl 8

4шт.

24

100037

LOCK NUT,M10 x 1.5, Cl 8

8шт.

25

86624184

WASHER,9mm ID x 16mm OD x 1.6mm Thk

2шт.

26

87529312

WASHER,11mm ID x 24mm OD x 3mm Thk

8шт.

27

342654A1

BRACKET, SUPPORTING

mount, aspirator

1шт.

28

396042A1

TUBE

PER-CLEANER

1шт.

29

D36264

FITTING

AIR CLEA

1шт.

30

87268290

HOSE,1.50" ID x 3.00"

EPDM

2шт.

32

342655A1

HOSE

1.5 TPE X 22"

1шт.

33

344093A1

FOAM INSULATION

Reflective

1шт.

34

BN54039

ADHESIVE

Spray 18 oz

1шт.

35

86986536

DUCT

Standoff, Air

2шт.

Выбрано товаров: 38