Качественные детали и логистика
Оригинальные и аналоговые запчасти с доставкой по России, Казахстану и Беларуси
©2022 PartSell ООО "Система" ИНН 2463123282 ОГРН 1212400004838
Центральный офис: г. Красноярск, Академика Киренского, д.87, пом.4
Телефон: 8 (800) 777-65-74 Email: zakaz@partsell.ru
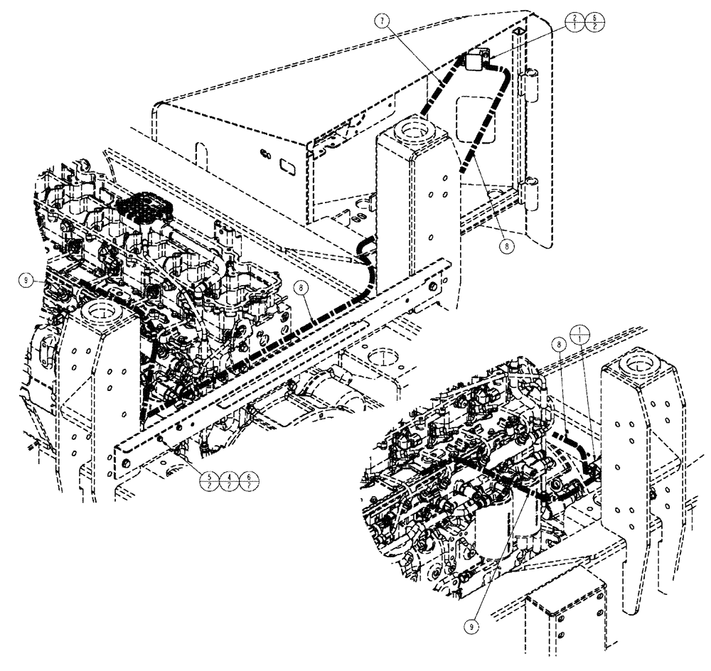
(02-025) - GRID HEATER, GROUP
№
Артикул
Название
Примечание
Количество
1
87455571
SOLENOID
200A GRID HEATER
1шт.
2
BN69860
CIRCUIT BREAKER
150A
3
87341554
COVER
Grid Heater Relay
4
87529314
WASHER,6.6mm ID x 12.5mm OD x 2mm Thk
6.6 x 12.5 x 2 mm, HDN, DOR
2шт.
5
120100
BOLT,M6 x 20mm, Cl 8.8
6
353308
NUT,M6 x 1.0, Cl 8
4шт.
7
87533931
CABLE
BATTERY TO GRID HE
8
87533942
GRID, FUSE TO GRID
9
87533944
GRID, RELAY TO HEAT
Выбрано товаров: 0