Запчасти Case IH TITAN 3520 (03-013) - TRANSMISSION MOUNTING (03) - TRANSMISSION

Схема запчастей Case IH TITAN 3520 - (03-013) - TRANSMISSION MOUNTING (03) - TRANSMISSION
11
6
9
8
8
5
2
3
7
5
10
12
6
1
4
FIT
1:1
100%

Артикул

Название

Примечание

Количество

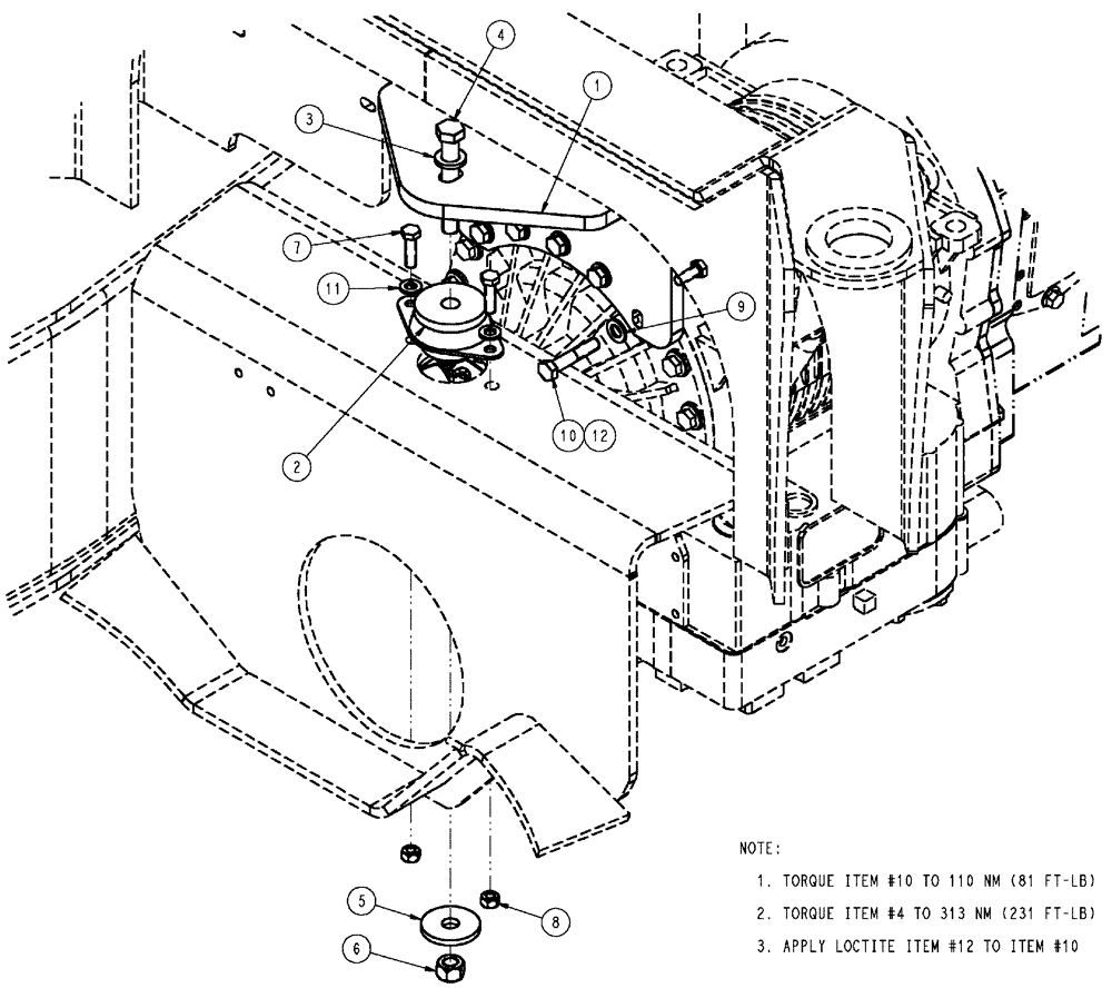
1

342547A1

PLATE

transmission hanger

1шт.

2

BN306728

ENGINE MOUNT

1шт.

3

86625266

WASHER,17.5mm ID x 30mm OD x 4mm Thk

1шт.

4

84036080

BOLT,Hex, M16 x 110mm, Cl 10.9

1шт.

5

BN308164

WASHER

REBOUND

1шт.

6

86512555

NUT,M16 x 2, Cl 10

1шт.

7

86980401

BOLT,Hex, M10 x 1.5 x 30mm, Cl 8.8, Full Thd

2шт.

8

100037

LOCK NUT,M10 x 1.5, Cl 8

2шт.

9

86981496

WASHER,13.3mm ID x 24.5mm OD x 3mm Thk

5шт.

10

9706693

BOLT,M12 x 60mm, Cl 8.8

5шт.

11

87529312

WASHER,11mm ID x 24mm OD x 3mm Thk

2шт.

12

ZPX24236

SEALANT, THREAD

Loctite - #242

1шт.

Выбрано товаров: 12