Запчасти Case IH TITAN 3520 (06-007) - STEERING PUMP, HYDRAULIC GROUP (07) - HYDRAULICS

Схема запчастей Case IH TITAN 3520 - (06-007) - STEERING PUMP, HYDRAULIC GROUP (07) - HYDRAULICS
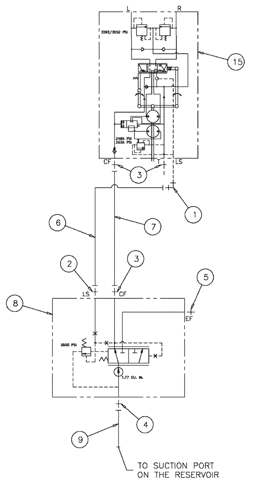
5
3
6
1
2
4
7
9
8
15
3
FIT
1:1
100%

Артикул

Название

Примечание

Количество

1

BN302547

90 ELBOW

9/16-18 x 7/16-20, ZND

1шт.

2

BN302640

FITTING

4MOR 4MB

1шт.

3

BN302650

FITTING

8 MOR-8 MB

3шт.

4

BN302659

FITTING

20MOR 16MB

1шт.

5

BN305057

FITTING

12MOR 10MB

1шт.

6

BN324551

HOSE ASSY.

4 X 60"

1шт.

7

BN313281

HOSE

ASSY, 8 X 65

1шт.

8

BN317546

PUMP

GEAR, LS, 1.77, SP, RH

1шт.

BN317546R

REMAN-HYD PUMP

TITAN 3020, TITAN 3520 BOTH (8/06-1/12)

1шт.

BN317546C

CORE-HYDRAULIC PUMP

Return Number

1шт.

9

342206A1

HOSE

20 x 66

1шт.

11

BN69793

GASKET

2 BOLT SAE, A PAD

1шт.

12

862-10030

HEX SOC SCREW,M10 x 30mm, Cl 12.9

2шт.

13

87529312

WASHER,11mm ID x 24mm OD x 3mm Thk

2шт.

15

410874A1

PUMP

Steering Valve

1шт.

15a

396591A1

KIT

SEAL, STEER PUMP

1шт.

Service Parts For Ref. 15

1шт.

Выбрано товаров: 17