Запчасти Case IH TITAN 3520 (01-034) - THROTTLE GROUP (10) - CAB

Схема запчастей Case IH TITAN 3520 - (01-034) - THROTTLE GROUP (10) - CAB
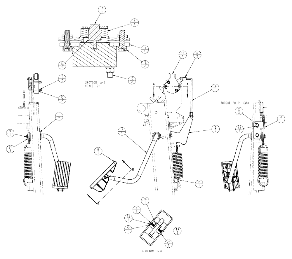
10
19
13
8
21
12
6
22
1
2
15
22
5
16
22
13
23
9
3
17
7
14
11
4
2
20
18
FIT
1:1
100%

Артикул

Название

Примечание

Количество

1

300891A1

FLANGED BEARING

FLANGED

2шт.

2

86508616

BOLT,Hex, M6 x 1 x 12mm, Cl 10.9, Full Thd

3шт.

3

344027A3

BRACKET, SUPPORTING

accelerator

1шт.

4

281115A1

BRACKET

decelerator stop

1шт.

5

258524A2

BUSHING

ADAPTER

1шт.

6

60-2404T1

RETAINER

CLIP, PLASTIC

2шт.

7

87016571

NUT,M5, Cl 5

2шт.

8

297853A2

PEDAL

PAD, FOOT THROTTLE

1шт.

9

255291A1

PIN,5mm OD x 56mm L

THROTTLE PAD

1шт.

10

343196A1

SPECIAL PIN

potentiometer accelerator

1шт.

11

343194A1

PLATE

PEDAL SENSOR ADAPTER

1шт.

12

231426A1

POTENTIOMETER,2500 Ohm

Throttle

1шт.

13

86632599

CIRCLIP,M5

2шт.

14

300624

SNAP RING,M12, Ext

1шт.

15

328353A2

ROD

DECELERATOR

1шт.

16

344028A1

ROD

ACCELERATOR

1шт.

17

843-1535

SCREW,Flat , M5 x 35mm, Cl 4.8

FLH M5 x 35 Type H CL 4.8

2шт.

18

864-5016

HEX SOC SCREW,M5 x 16mm, Cl 8.8

2шт.

19

278211A1

SPRING

EXTENSION

1шт.

20

256776A1

SPRING

FOOT THROTTLE PAD

1шт.

21

396-41028

WASHER,.281" x 7/8" x .098", HDN

1шт.

22

86625261

WASHER,5.5mm ID x 10mm OD x 1mm Thk

4шт.

23

86588450

WASHER,6.6mm ID x 12mm OD x 1.6mm Thk

2шт.

Выбрано товаров: 23