Запчасти Case IH TITAN 3520 (10-009) - BARE CHASSIS PARTS GROUP, TITAN 3520 Options

Схема запчастей Case IH TITAN 3520 - (10-009) - BARE CHASSIS PARTS GROUP, TITAN 3520 Options
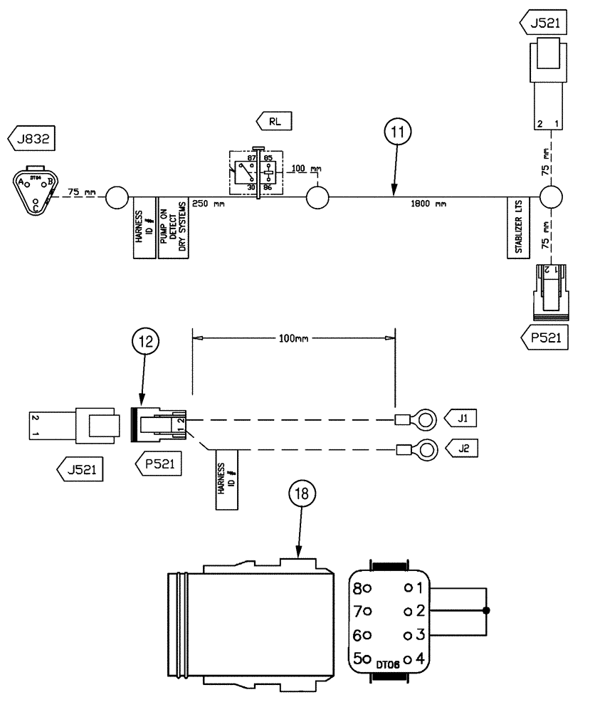
11
12
18
FIT
1:1
100%

Артикул

Название

Примечание

Количество

ns

87271926

LIQUID PARTS GROUP

1шт.

Includes 344387A1

1шт.

ns

NS

NOT SERVICED

Handrail Group, Two-Piece

1шт.

See Fig. 04-011

1шт.

ns

NS

NOT SERVICED

HARNESS, PUMP ON DETECT, 520A

1шт.

ns

NS

NOT SERVICED

SWITCH, PRESSURE, 1000 N.O.

1шт.

ns

87271925

FLEXAIR PARTS GROUP, H/WARE

1шт.

Includes 343567A1, 344376A1, 87266696, BN325146, BN53991, 87542249, 87542700

1шт.

ns

REF

INSTRUCTION

-

1шт.

ns

NS

NOT SERVICED

Bracket, Lines Group

1шт.

See Fig. 04-027

1шт.

ns

NS

NOT SERVICED

Handrail Group, One-Piece

1шт.

See Fig. 04-010

1шт.

ns

NS

NOT SERVICED

Cover, Group

1шт.

See Fig. 04-026

1шт.

ns

BN325146

CONSOLE, RH CNTRL, FA

1шт.

See Fig. 01-045

1шт.

ns

BN53991

PLUG

HEX, O-RING 7/16-20

2шт.

11

87542249

WIRE HARNESS

PUMP DETECT, FLEX-AIR, W/TIER 3 ENG.

1шт.

12

87542700

WIRE HARNESS

ADAPTER, PUMP ON, FLEX-AIR

1шт.

ns

87272466

BARE CHASSIS PARTS GROUP

1шт.

Includes 342823A1, 343567A1, 344376A1, 86986039, 87265143, 87266696, BN323717, BN325083, 87271939, BN325168, 87542249, 87542700

1шт.

ns

NS

NOT SERVICED

PLUG GROUP, HYDRAULIC TANK

1шт.

See Fig. 06-002

1шт.

ns

REF

INSTRUCTION

-

1шт.

ns

NS

NOT SERVICED

Bracket, Lines Group

1шт.

See Fig. 04-027

1шт.

ns

NS

NOT SERVICED

Handrail Group, One-Piece

1шт.

See Fig. 04-010

1шт.

ns

NS

NOT SERVICED

Group, Cov Remote STN Blank

1шт.

18

87265143

WIRE HARNESS

Remote Jumper

1шт.

ns

NS

NOT SERVICED

Cover, Group

1шт.

See Fig. 04-026

1шт.

ns

BN323717

MTG GRP, CONTROL, RAVEN

1шт.

See Fig. 08-005

1шт.

ns

BN325083

TAIL LIGHT ASSY

1шт.

See Fig. 10-012

1шт.

ns

87271939

CONSOLE, RH CNTRL, CHASSIS

1шт.

See Fig. 01-046

1шт.

ns

BN325168

HYD MANIFOLD GRP CHASSIS

1шт.

See Fig. 06-005

1шт.

11

87542249

WIRE HARNESS

PUMP DETECT, FLEX-AIR, W/TIER 3 ENG.

1шт.

12

87542700

WIRE HARNESS

ADAPTER, PUMP ON, FLEX-AIR

1шт.

Выбрано товаров: 43