Запчасти Case IH TITAN 3520 (10-022) - AUTOGUIDANCE HYDRAULIC GROUP Options

Схема запчастей Case IH TITAN 3520 - (10-022) - AUTOGUIDANCE HYDRAULIC GROUP Options
8
p
1.77 cu. in.
t
2
12
a
2
1
13
8
px
pressure
13
transducer
4
ls1
2
13
l
ls
5
cf
6
3
b
10
14
15
4
8
1
3
right cylinder
ls
5
3
ls2
9
existing return to tank hose
11
7
t
4
r
cf
left cylinder
9
FIT
1:1
100%

Артикул

Название

Примечание

Количество

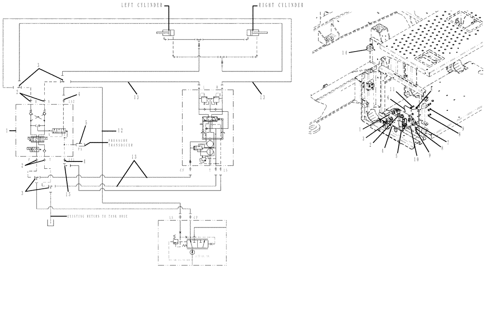
1

84139307

VALVE

Auto Guidance

1шт.

See Fig. 10-023

1шт.

2

BN302650

FITTING

8 MOR-8 MB

4шт.

3

BN302436

TEE

13/16 -16 ORFS x 13/16 -16 ORFS Swivel

4шт.

4

BN302640

FITTING

4MOR-4MB

2шт.

5

87428328

PRESSURE SWITCH

Pressure, 3000 PSI (Use O-Ring #165202)

1шт.

6

84203624

MOUNT

Autoguide Valve

1шт.

7

84203626

BRACKET

Autoguide Valve

1шт.

8

87529312

WASHER,11mm ID x 24mm OD x 3mm Thk

10шт.

9

86980515

NUT,Hex, M10 x 1.5, Cl 8.8, DOR

4шт.

10

86980401

BOLT,Hex, M10 x 1.5 x 30mm, Cl 8.8, Full Thd

4шт.

11

87342767

BOLT

3/8"-16 x 1-1/2", G5, Full Thd

2шт.

12

84234765

HYDRAULIC HOSE

-4 x 2057MM

1шт.

13

84234764

HYDRAULIC HOSE

-8 x 2057MM

4шт.

14

87301362

CLAMP,76.2mm, Coat, 13.5mm Bolt Hole, P Type

1шт.

15

84263248

ELBOW UNION

Union Elbow 4MOR-4FORX90

1шт.

Выбрано товаров: 16