Качественные детали и логистика
Оригинальные и аналоговые запчасти с доставкой по России, Казахстану и Беларуси
©2022 PartSell ООО "Система" ИНН 2463123282 ОГРН 1212400004838
Центральный офис: г. Красноярск, Академика Киренского, д.87, пом.4
Телефон: 8 (800) 777-65-74 Email: zakaz@partsell.ru
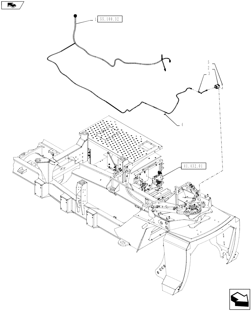
(55.911.05) - FRAME AUTOGUIDANCE
№
Артикул
Название
Примечание
Количество
1
84428874
HARNESS
Auto Guidance, 3 Wheel Frame
1шт.
See Fig 55.100.32 For Service Parts
2
87743199
MODULE
Autoguide Steering Sensor
3
87743200
Jumper, 24" Autosense
4
22-824
CABLE TIE,3/16" x 7 1/4"
CABLE STRAP
4шт.
5
767388
HEX SOC SCREW,#6 - 32 x 1/2"
Выбрано товаров: 0