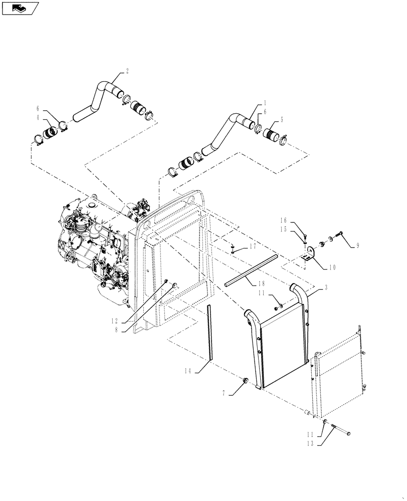
Запчасти Case IH TITAN 3530 (10.310.01) - CHARGE AIR PACKAGE (10) - ENGINE

Схема запчастей Case IH TITAN 3530 - (10.310.01) - CHARGE AIR PACKAGE (10) - ENGINE
13
4
15
8
10
7
18
12
2
6
11
home
16
17
3
14
1
5
6
9
11
FIT
1:1
100%

Артикул

Название

Примечание

Количество

1

84300453

AIR INTAKE TUBE,88.90 mm OD

CAC Out

1шт.

2

84300449

AIR INTAKE TUBE,88.90 mm OD x 1020, 195 mm L

CAC Inlet

1шт.

3

259332A4

AFTERCOOLER

CAC

1шт.

4

84241628

BELLOWS

CAC, 3.5"

2шт.

5

84241629

BELLOWS

CAC, 3.5"

2шт.

6

87270795

CLAMP

T-Bolt, 3.56 Spring

8шт.

7

D52276

ISOLATOR,10.16mm ID x 28.07mm OD x mm L

Mount, Radiator

4шт.

8

87529239

WASHER,0.41" ID x 1.12" OD x 0.13" Thk

.406 X 1.125 X .134 HDN DOR

4шт.

9

86980403

BOLT,Hex, M10 x 1.5 x 40mm, Cl 8.8, Full Thd

2шт.

10

BN324064

ANGLE

Mount, Top CAC

2шт.

11

87529312

WASHER,11mm ID x 24mm OD x 3mm Thk

4шт.

12

86980515

NUT,Hex, M10 x 1.5, Cl 8.8, DOR

4шт.

13

86980413

BOLT,Hex, M10 x 1.5 x 130mm, Cl 8.8

2шт.

14

336686A1

SEAL

Foam Seal, CAC Side

2шт.

15

87529315

WASHER,9mm ID x 17mm OD x 2mm Thk

9 x 17 x 2 mm, HDN, DOR

8шт.

16

86980379

BOLT,Hex, M8 x 1.25 x 20mm, Cl 8.8

4шт.

17

86980514

LOCK NUT,Hex, M8, Cl 8, DOR

4шт.

18

336684A1

SEAL

Foam, Radiator Top Front

1шт.

Выбрано товаров: 18