Запчасти Case IH TITAN 4030 (50.200.01) - AIR CONDITIONING COMPRESSOR (50) - CAB CLIMATE CONTROL

Схема запчастей Case IH TITAN 4030 - (50.200.01) - AIR CONDITIONING COMPRESSOR (50) - CAB CLIMATE CONTROL
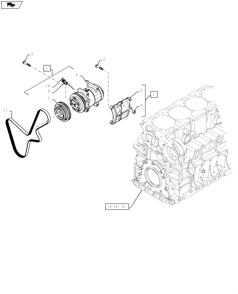
7
9
1
4
3
10
2
6
5
8
11
10.001.02
home
FIT
1:1
100%

Артикул

Название

Примечание

Количество

1

86993463

AIRCOND. COMPRESSOR

Includes Ref 7 - 10

1шт.

1

86993463GV

AIRCOND. COMPRESSOR

Value

1шт.

1

86993463R

REMAN-A/C COMPRESSOR

Reman for New PN 86993463

1шт.

1

86993463C

CORE-A/C COMPRESSOR

Return Number

1шт.

2

16598225

BOLT,Flng, M8 x 90mm

M8 x 90

4шт.

3

84294528

FLANGE BOLT,Hex, M8 x 90mm, Cl 8.8

M8 - 1.25 x 90, 8.8, ZND

4шт.

4

504354695

BRACKET

Air Conditioning Compressor Assembly, Includes Ref 5 - 6

1шт.

5

504354470

SUPPORT

Air Conditioning Compressor Bracket

1шт.

6

504277279

PIN

2шт.

7

403585A1

CLUTCH

Complete Air Conditioning Compressor Clutch Assembly, Not Shown

1шт.

8

128483A1

O-RING,1.78mm Thk x 7.65mm ID, 70 Duro

Not Shown

1шт.

9

245481C1

CONNECTION,ELECTRIC

Air Conditioning Compressor Clutch, C814F, Not Shown

1шт.

10

225119C1

TERMINAL

Air Conditioning Compressor Clutch, C814F, Not Shown

2шт.

11

84292913

BELT,2203.00 mm L

Engine Accessories

1шт.

Выбрано товаров: 14