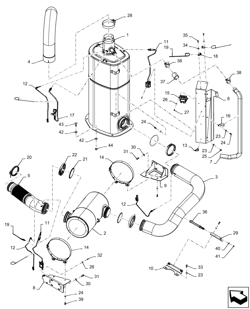
Запчасти Case IH TITAN 4040 (10.254.AI[01]) - EXHAUST SYSTEM W/ MUFFLER (10) - ENGINE

Схема запчастей Case IH TITAN 4040 - (10.254.AI[01]) - EXHAUST SYSTEM W/ MUFFLER (10) - ENGINE
12
35
9
30
7
11
31
44
42
29
24
42
10
39
3
22
23
1
33
19
15
19
4
8
2
12
26
24
30
23
21
13
38
14
11
20
28
34
24
36
25
37
32
43
27
23
16
41
12
31
40
18
6
38
17
14
26
5
FIT
1:1
100%

Артикул

Название

Примечание

Количество

1

47608953

MUFFLER

SCR

1шт.

2

47608954

MUFFLER

DOC

1шт.

3

47438012

PIPE

Exhaust Outlet

1шт.

4

47396822

EXHAUST SYSTEM PIPE

Stack

1шт.

5

47488063

PIPE

Turbo

1шт.

6

48088892

NOX Sensor

MOUNT

1шт.

7

47437130

TUBE

Precleaner

1шт.

8

47589985

MOUNT

DOC

1шт.

9

47477414

MOUNTING PLATE

DOC

1шт.

10

47561366

BRACKET

Exhaust Tube

1шт.

11

84422747

SENSOR,NOx, 12V, 5 Pin, 615mm L

NOX, 12V

2шт.

12

47478880

TEMPERATURE SENDER,50mm, Closed

Temperture

3шт.

13

84292754

CLIP,Cable Tie W/ Fir Tree, 5mm OD x 203mm OAL

5шт.

14

47439305

CLAMP,328mm ID

DOC

2шт.

15

47368959

ECU

NH3

1шт.

16

87552805

CLAMP,50.8mm, Coat, 10.3mm Bolt Hole, P Type

3шт.

17

47520142

SENSOR,1000mm L

NH3

1шт.

18

84407295

BASE

M8 Stud

2шт.

19

BN570007

STRAP

Black Only, Band

5шт.

20

47423212

CLAMP

Exhaust Flap, Cursor 9, SST

1шт.

21

47368254

GASKET,133.8mm ID x 154mm OD x 4.6mm Thk

5", Exhaust

3шт.

22

47368240

CLAMP

Marmom, 5"

3шт.

23

87529312

WASHER,11mm ID x 24mm OD x 3mm Thk

11шт.

24

86980400

BOLT,Hex, M10 x 25mm, Cl 8.8, Full Thd

11шт.

25

86980515

NUT,Hex, M10 x 1.5, Cl 8.8, DOR

2шт.

26

87529314

WASHER,6.6mm ID x 12.5mm OD x 2mm Thk

6шт.

27

86980360

BOLT,Hex, M6 x 1 x 20mm, Cl 8.8, Full Thd

4шт.

28

87430634

CLAMP,159.5mm ID

Muffler / Elbow

1шт.

29

47561368

BRACKET

Exhaust Support

1шт.

30

87529310

WASHER,13.5mm ID x 28mm OD x 4mm Thk

13.5mm x 28mm x4mm, DOR

8шт.

31

86980420

BOLT,Hex, M12 x 1.75 x 30mm, Cl 8.8, Full Thd

8шт.

32

86980359

BOLT,Hex, M6 x 1 x 16mm, Cl 8.8

2шт.

33

86980401

BOLT,Hex, M10 x 1.5 x 30mm, Cl 8.8, Full Thd

2шт.

34

87529316

WASHER,9mm ID x 21mm OD x 2.5mm Thk

2шт.

35

86980380

BOLT,Hex, M8 x 1.25 x 25mm, Cl 8.8, Full Thd

2шт.

36

47481238

CLAMP

6" Exhaust

1шт.

37

84583310

HOSE

Straight Connector

1шт.

38

87485002

CLAMP,1.06" - 2"

#24 SST Hose

2шт.

39

87529298

WASHER,11mm ID x 21mm OD x 2mm Thk

4шт.

40

87529237

WASHER,0.41" ID x 0.81" OD x 0.07" Thk

DOR

2шт.

41

87343970

NUT,3/8"-16, G8, DOR

2шт.

42

87529306

WASHER,17.5mm ID x 30mm OD x 4mm Thk

12шт.

43

86980444

BOLT,Hex, M16 - 2 x 40mm, Cl 8.8, DOR

6шт.

44

86980517

NUT,Hex, M16 - 2, Cl 8.8, DOR

6шт.

45

47561368

BRACKET

Exhaust Support

1шт.

46

47607317

MOUNT

Clip Firtree for Connector

2шт.

Выбрано товаров: 46