Запчасти Case IH TITAN 4520 (04-002) - FRONT AXLE INSTALL KIT Frame & Suspension

Схема запчастей Case IH TITAN 4520 - (04-002) - FRONT AXLE INSTALL KIT Frame & Suspension
6
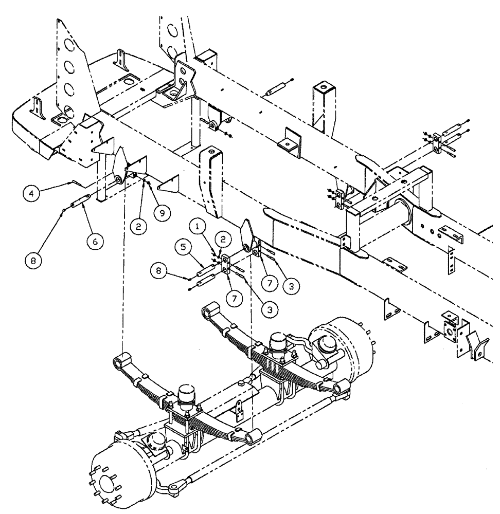
1
2
7
8
9
5
3
4
2
7
3
8
FIT
1:1
100%

Артикул

Название

Примечание

Количество

1

88902

NUT,3/8"-16

8шт.

2

87529237

WASHER,0.41" ID x 0.81" OD x 0.07" Thk

0.406 x 0.812 x 0.065, HTS, DOR, HDN

10шт.

3

BN2294181

KEY

Draw, #113

8шт.

4

BN2294185

KEY

Draw LP#107 Flagg

2шт.

5

BN2391613

PIN,31.7mm OD x 165.1mm L

Shackle B1367-55

4шт.

BN2393242

BUSHING,31.75mm ID x 38.1mm OD x 102mm L

For Ref 5

2шт.

6

BN2391614

PIN,31.7mm OD x 178.82mm L

Front B1366-55 Flagg

2шт.

7

BN2394958

SHACKLE

Front, E397-55

4шт.

8

BN2651850

LUBE NIPPLE

1/8 STR 5000

6шт.

9

87343675

NUT

Hex, 3/8"-24, G5

2шт.

Выбрано товаров: 10