Запчасти Case IH TITAN 4520 (06-001) - HYDRAULIC TANK GROUP (07) - HYDRAULICS

Схема запчастей Case IH TITAN 4520 - (06-001) - HYDRAULIC TANK GROUP (07) - HYDRAULICS
13
8
9
7
3
6
13
11
10
2
9
12
4
8
15
1
10
12
5
12
9
14
FIT
1:1
100%

Артикул

Название

Примечание

Количество

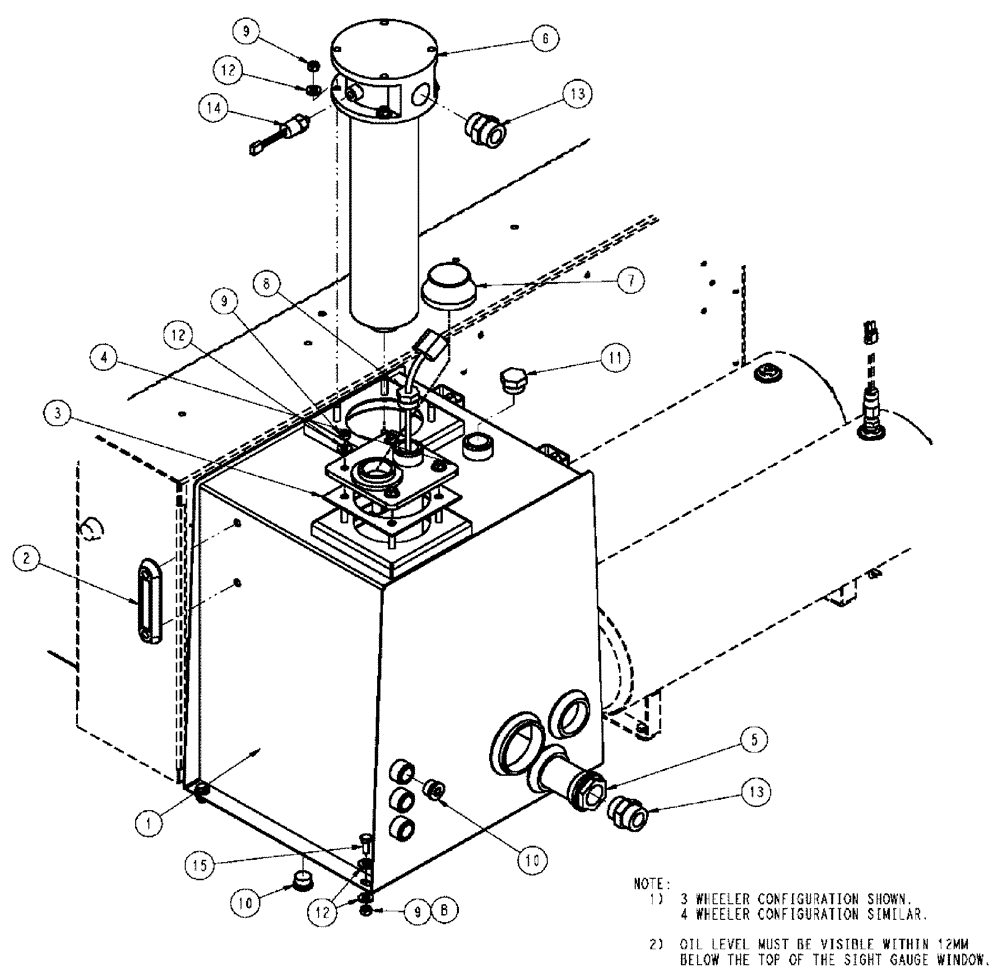
1

87270368

TANK

Hydraulic Oil 31 Gallon

1шт.

2

BN322594

GAUGE

sight with temperature

1шт.

3

87272095

GASKET,3.17mm Thk

COVER PLATE

1шт.

4

87272100

PLATE

Temp/Level

1шт.

5

BN303528

STRAINER ASSY.

32MB x -20FB, 100

1шт.

6

87267809

HYDRAULIC OIL FILTER

In-Tank FLX

1шт.

See Fig. 06-010

1шт.

7

BN304339

VALVE

PRESS VALVE

1шт.

8

BN324116

INDICATOR

Sensor, Multiple Oil Level And Oil Temperature

1шт.

9

86980515

NUT,Hex, M10 x 1.5, Cl 8.8, DOR

12шт.

10

9841223

PLUG,1-1/16" - 12 ORB

2шт.

11

BN60479

PLUG

1 5/16-12 O-RING-HEX

1шт.

12

87529312

WASHER,11mm ID x 24mm OD x 3mm Thk

16шт.

13

BN302660

FITTING

20MOR-20MB

2шт.

14

87267808

PRESSURE SWITCH

25 psi N/C

1шт.

15

86980400

BOLT,Hex, M10 x 25mm, Cl 8.8, Full Thd

4шт.

Выбрано товаров: 16