Запчасти Case IH TITAN 4520 (10-022) - ACCUGUIDE ELECTRIC PACKAGE, FRAME Options

Схема запчастей Case IH TITAN 4520 - (10-022) - ACCUGUIDE ELECTRIC PACKAGE, FRAME Options
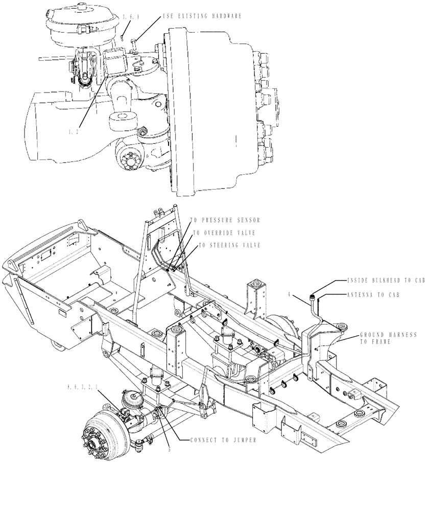
antenna to cab
to pressure sensor
to override valve
inside bulkhead to cab
ground harness
use existing hardware
connect to jumper
4
to steering valve
5
to frame
FIT
1:1
100%

Артикул

Название

Примечание

Количество

1

84261049

MOUNT

AUTOSENSE

1шт.

2

87743199

MODULE

Autoguide Steering Sensor

1шт.

3

767388

HEX SOC SCREW,#6 - 32 x 1/2"

4шт.

4

84183278

WIRE HARNESS

AUTO GUIDANCE, 4 WHL

1шт.

5

87743200

HARNESS

JUMPER, AUTOSENSE

1шт.

6

3797

NUT

4шт.

7

22-824

CABLE TIE,3/16" x 7 1/4"

CABLE STRAP (Not Pictured)

1шт.

8

Loctite 222

1шт.

Выбрано товаров: 8