Запчасти Case IH TITAN 4520 (10-023) - AUTOGUIDANCE HYDRAULIC GROUP Options

Схема запчастей Case IH TITAN 4520 - (10-023) - AUTOGUIDANCE HYDRAULIC GROUP Options
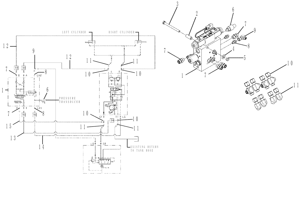
1
10
14
11
3
left cylinder
7
10
1
2
9
11
7
6
10
10
7
5
10
4
11
8
12
pressure
11
7
7
6
existing return
transducer
11
8
9
12
8
15
to tank hose
right cylinder
13
FIT
1:1
100%

Артикул

Название

Примечание

Количество

1

84139307

VALVE

Auto Guidance

1шт.

See Fig. 10-025

1шт.

2

84265307

TUBE SPACER,10.3mm ID x 15.9mm OD x 36.5mm L

2шт.

3

86980412

BOLT,Hex, M10 x 1.5 x 120mm, Cl 8.8

2шт.

4

87529312

WASHER,11mm ID x 24mm OD x 3mm Thk

2шт.

5

86980515

NUT,Hex, M10 x 1.5, Cl 8.8, DOR

2шт.

6

87428328

PRESSURE SWITCH

High Pressure Transducer (Use O-Ring #165202)

1шт.

7

BN302650

FITTING

8MOR-8MB

4шт.

8

BN302640

FITTING

8MOR-4MB

2шт.

9

84263248

ELBOW UNION

Union Elbow 4MOR-4FORx90

1шт.

10

BN302436

TEE

13/16 -16 ORFS x 13/16 -16 ORFS Swivel

4шт.

11

87586601

45 ELBOW

8MOR-8FORX45

4шт.

12

BN313282

HOSE

-8 X 762MM

2шт.

13

BN309832

HOSE

-8 X 686MM

1шт.

14

BN307845

HOSE ASSY.

-4 X 622MM

1шт.

15

BN309746

HOSE

-8 X 635MM

1шт.

Выбрано товаров: 16